lemon-mirror:
Home >> Isuzu >> 2000 >> Amigo 2WD L4-2.2L >> Repair and Diagnosis >> Specifications >> Mechanical Specifications >> Engine >> System Specifications >> Engine

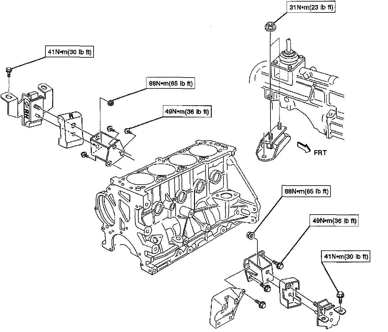
Engine

Torque Specifications





Camshaft bracket, Timing gear camshaft side, Cylinder head





Timing gear crankshaft (center bolt), Timing belt cover front, Timing belt cover rear, Timing belt tensioner, Camshaft angle sensor





Crankshaft main bearing, Oil pan support, Oil pan, Balance unit assembly, Connecting rod Cap, Oil pump, Oil strainer





Spark plug, Throttle body, EGR valve adapter assembly, Bypass housing assembly, Thermostat assembly, Inlet manifold assembly, Exhaust manifold assembly, Heat shield, Ignition cable cover





Engine mount