lemon-mirror:
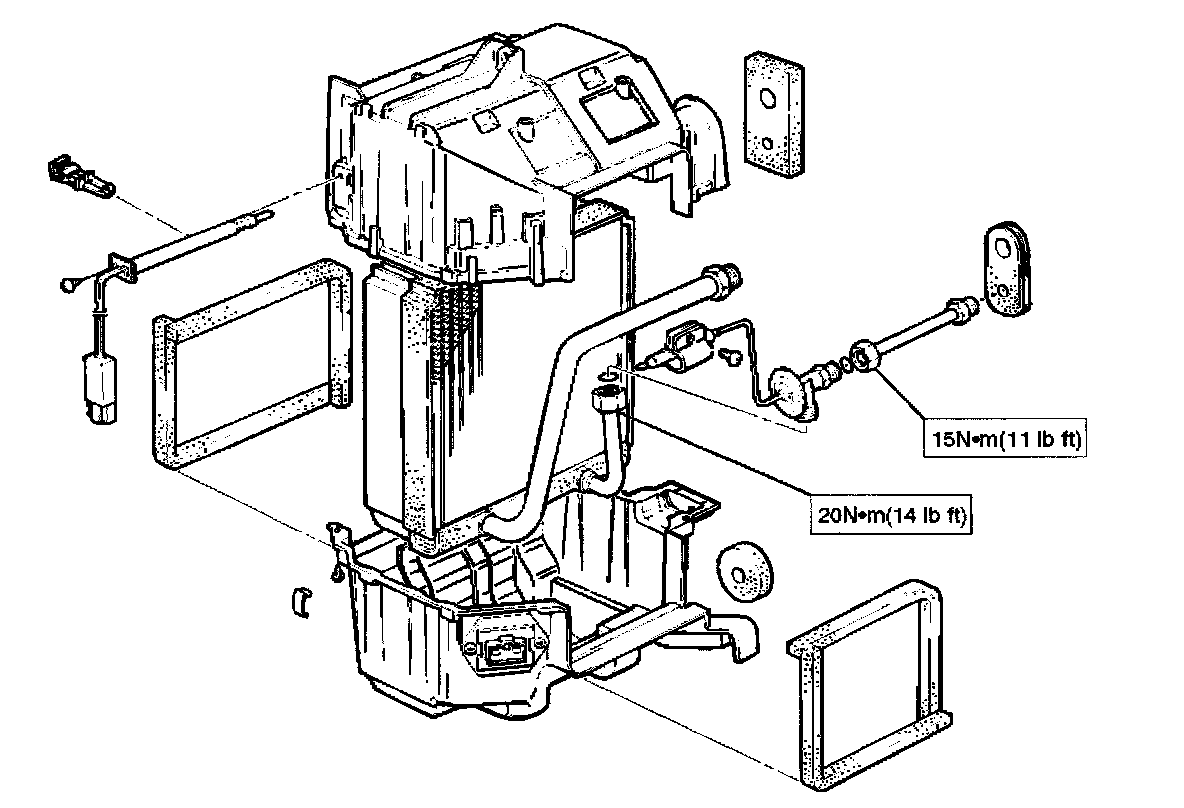
Home >> Isuzu >> 1999 >> Rodeo LS 2WD V6-3.2L >> Repair and Diagnosis >> Heating and Air Conditioning >> Specifications >> Torque Specifications

Torque Specifications