lemon-mirror:
Home >> Isuzu >> 1999 >> Rodeo LS 2WD V6-3.2L >> Repair and Diagnosis >> Diagrams >> Exploded Views >> Starter Motor

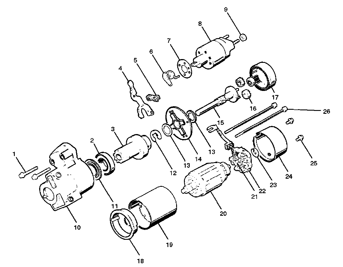
Starter Motor