lemon-mirror:
Home >> Isuzu >> 1999 >> Amigo 2WD V6-3.2L >> Repair and Diagnosis >> Diagrams >> Exploded Views >> Alternator

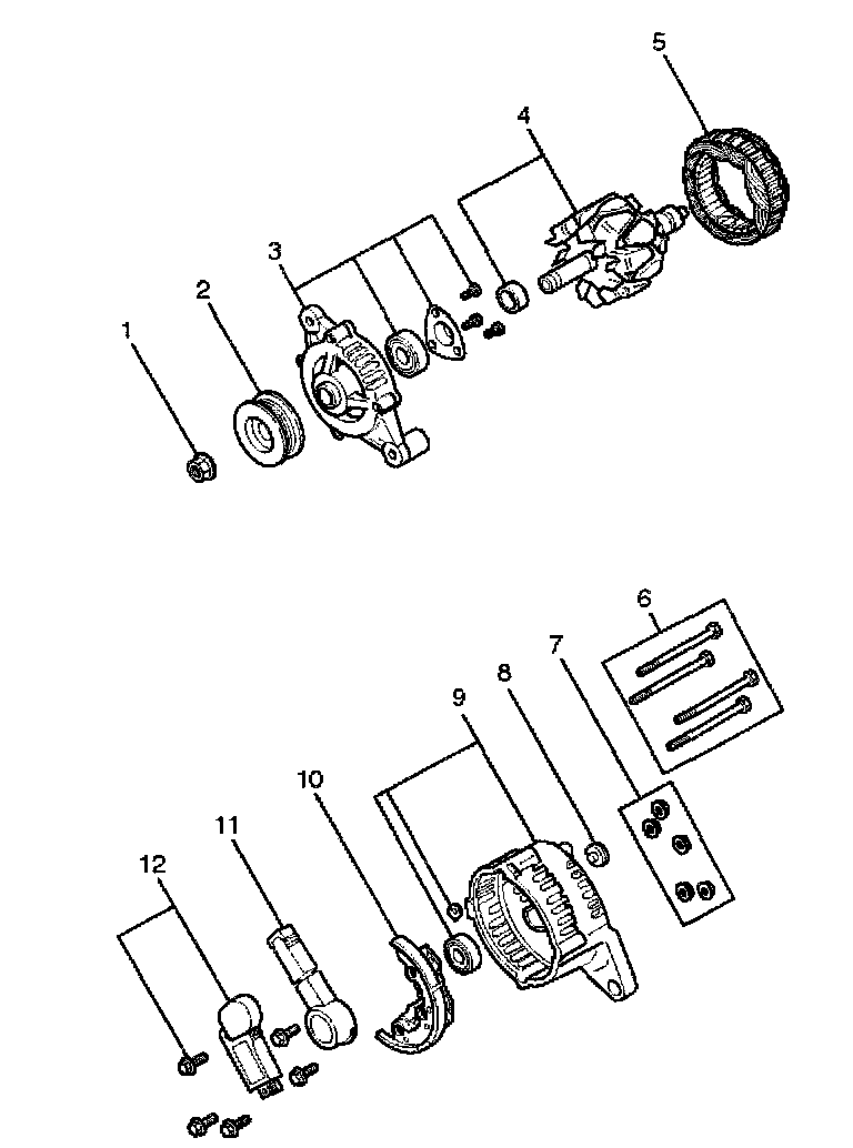
Alternator

Part 1 Of 2:



Part 2 Of 2: