lemon-mirror:
Home >> Isuzu >> 1998 >> Trooper LS V6-3.5L >> Repair and Diagnosis >> Powertrain Management >> Computers and Control Systems >> Engine Control Module >> Diagrams >> Diagram Information and Instructions >> Circuit Schematics >> Power Distribution

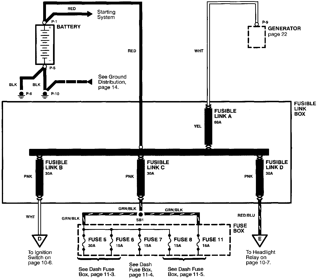
Power Distribution




The Power Distribution schematic shows the wiring from the Battery and Generator to the Starter Solenoid, Fuse Box, Ignition Switch and Light Switch. The first component after a Fusible Link is also shown. In certain instances, the first component after a Fuse Box fuse and Light Switch is also shown.

The Power Distribution schematic refers to Fuse Box Details and Light Switch Details schematics. By using these three (3) schematics, power distribution wiring can be followed from the battery and Generator to the first component after a Fusible Link, Fuse and Light Switch. The ability to follow the power distribution wiring to the first component in each circuit is extremely helpful in locating short circuits which cause fusible links and fuses to open.

The fuses in the schematic are "Hot At All Times," since Battery voltage is always applied to them.