lemon-mirror:
Home >> Isuzu >> 1998 >> Trooper LS V6-3.5L >> Repair and Diagnosis >> Diagrams >> Electrical Diagrams >> Powertrain Management >> Engine Control Module

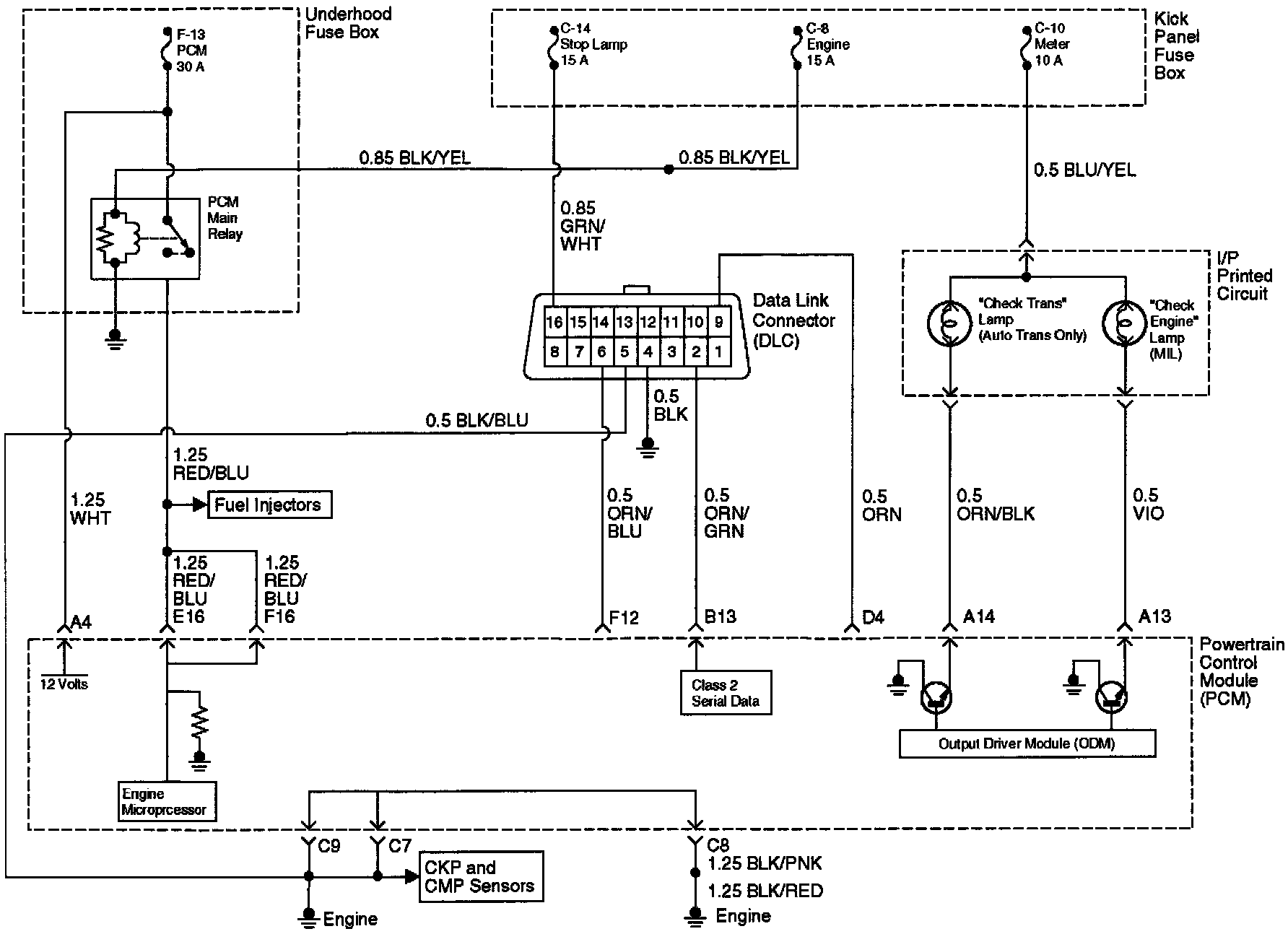
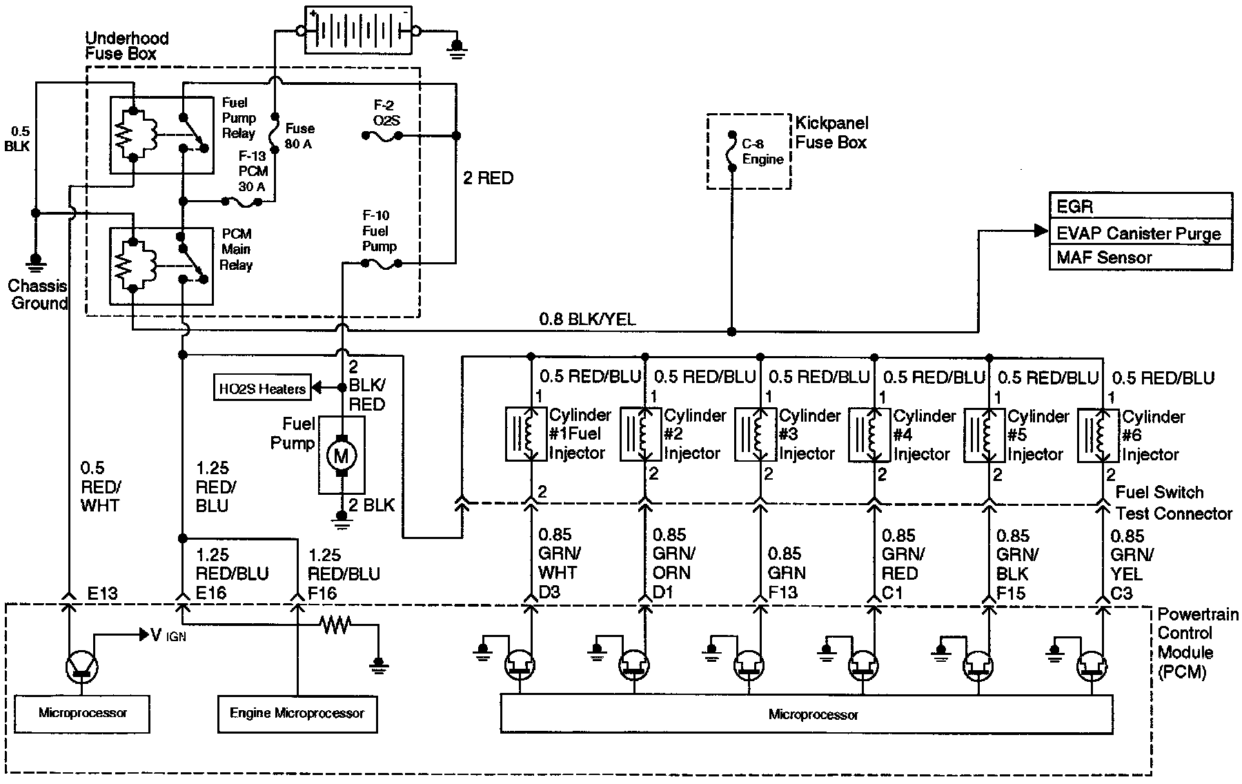
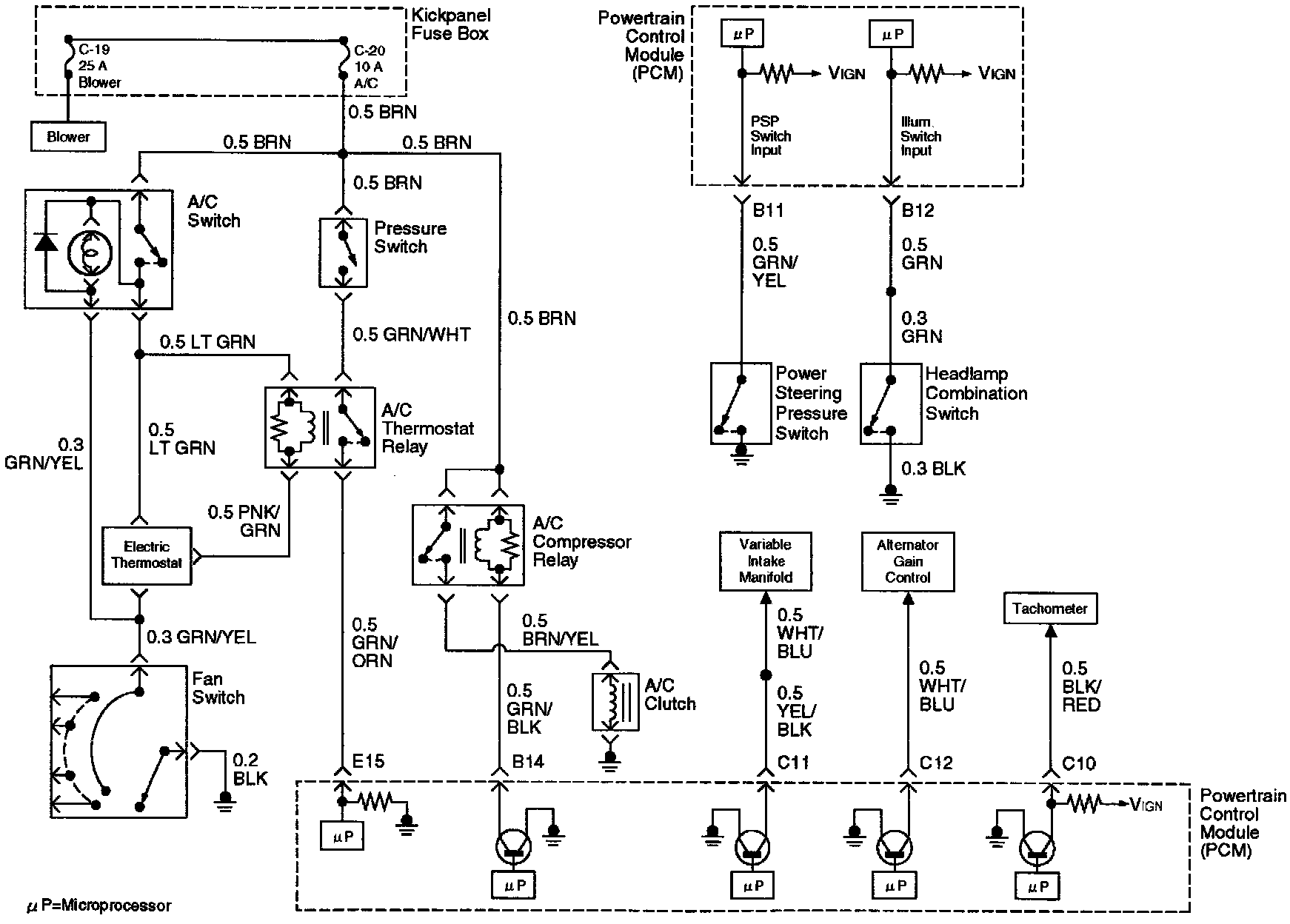
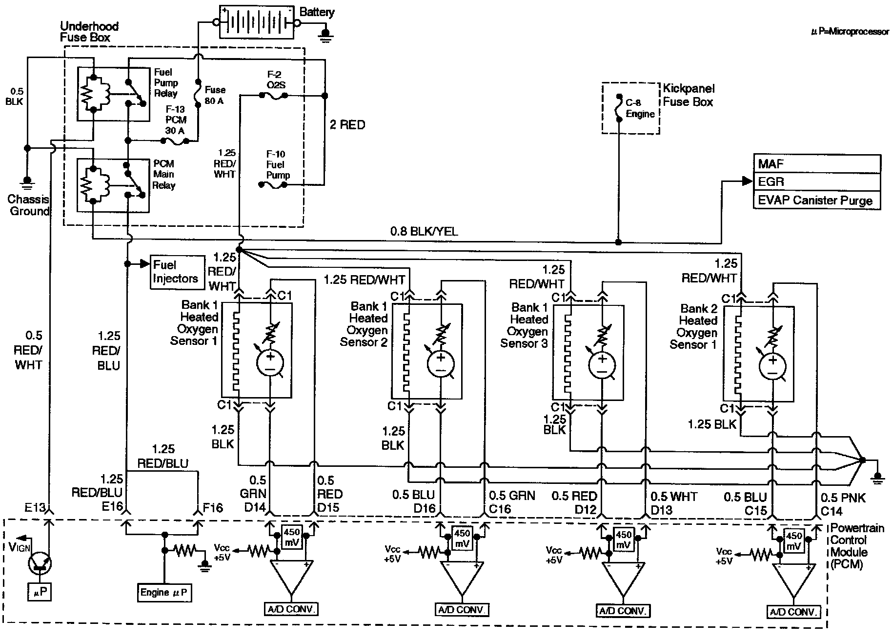
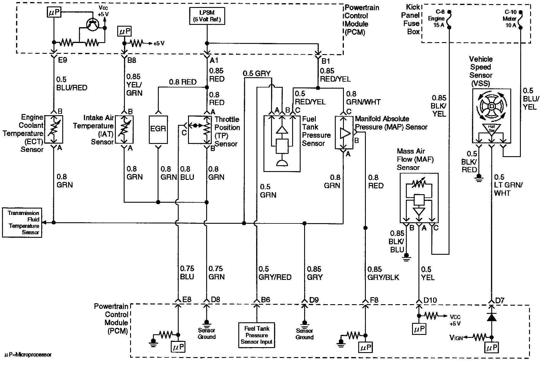
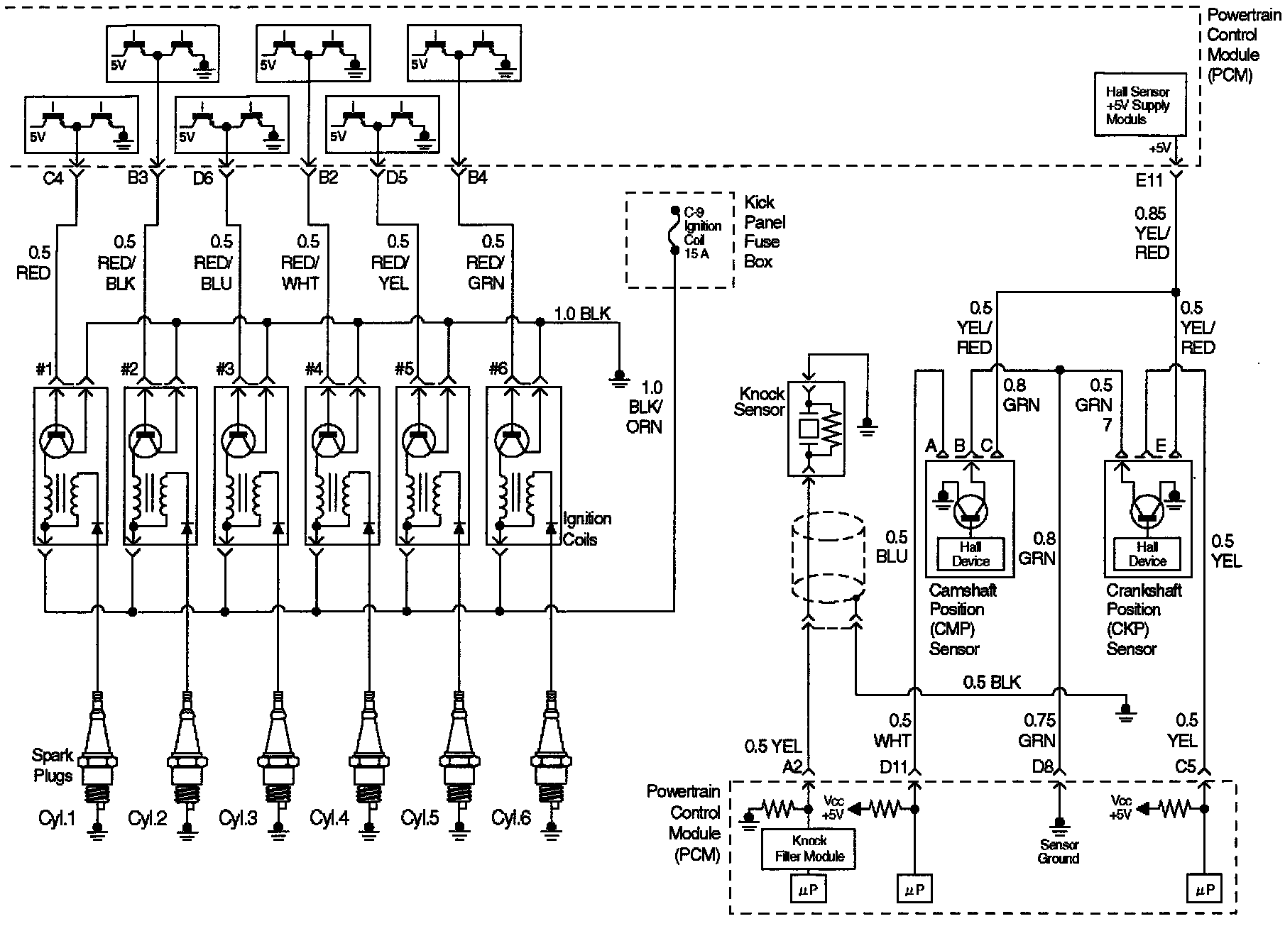
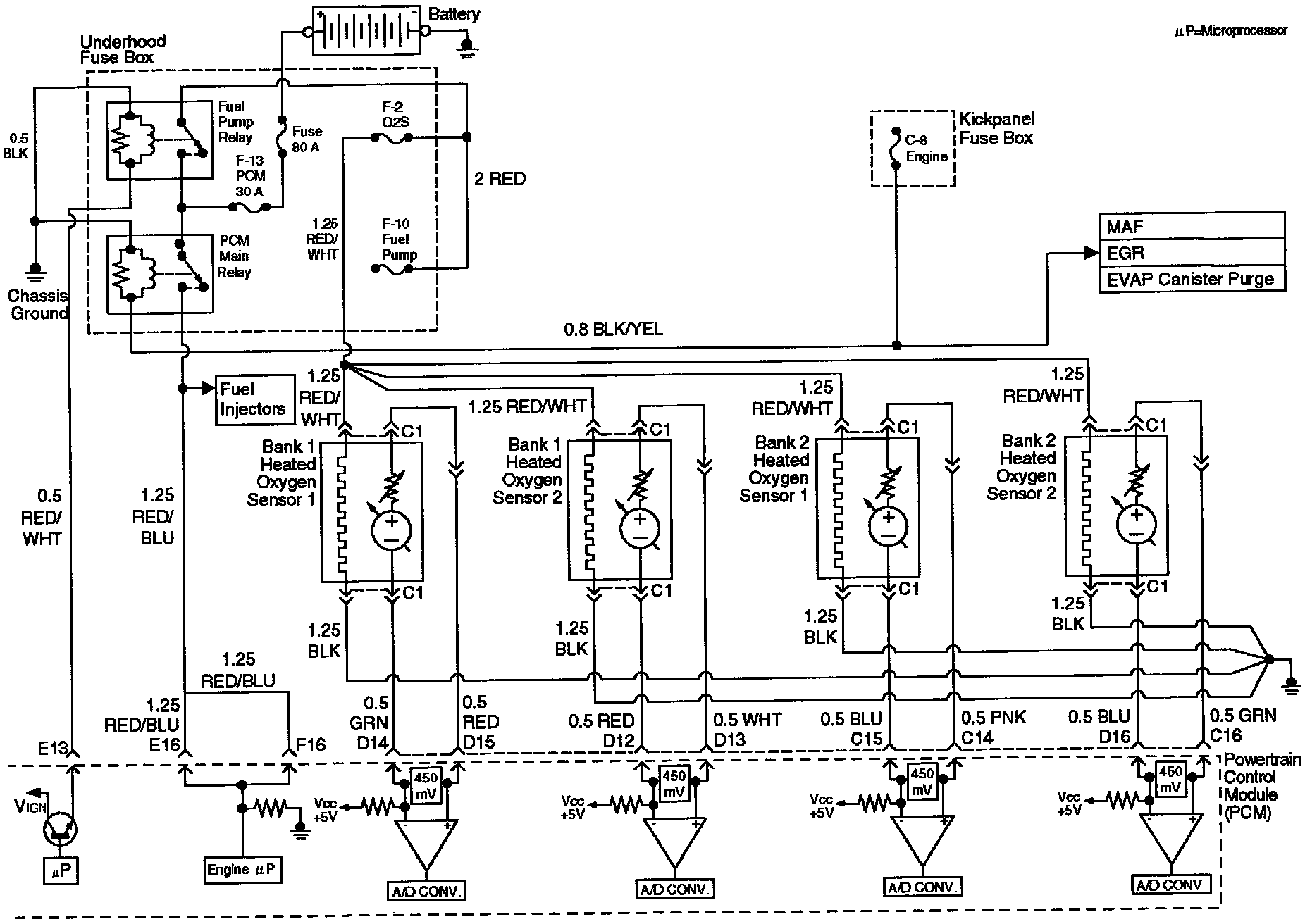
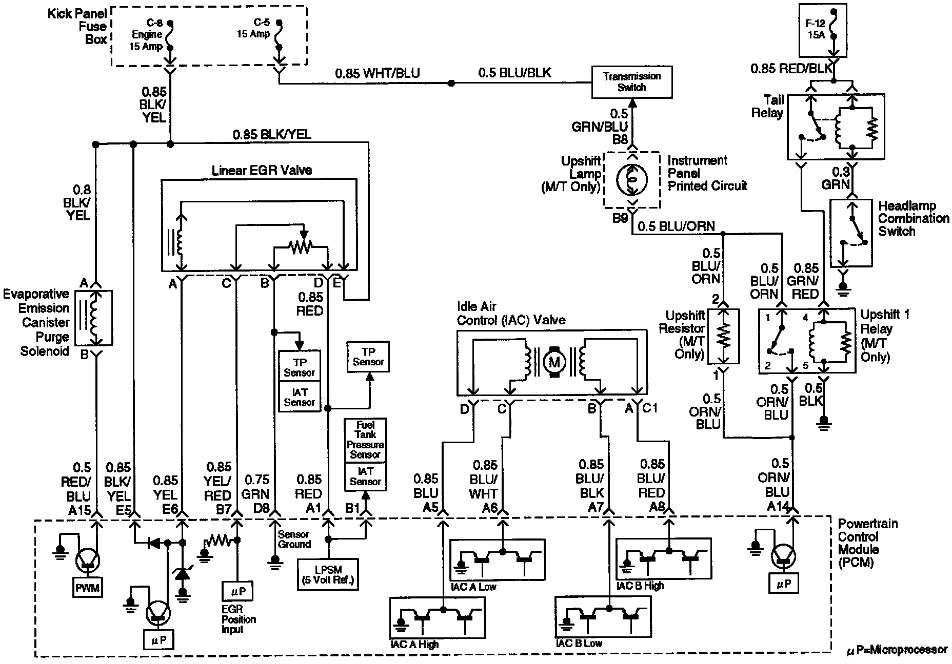
Engine Control Module