lemon-mirror:
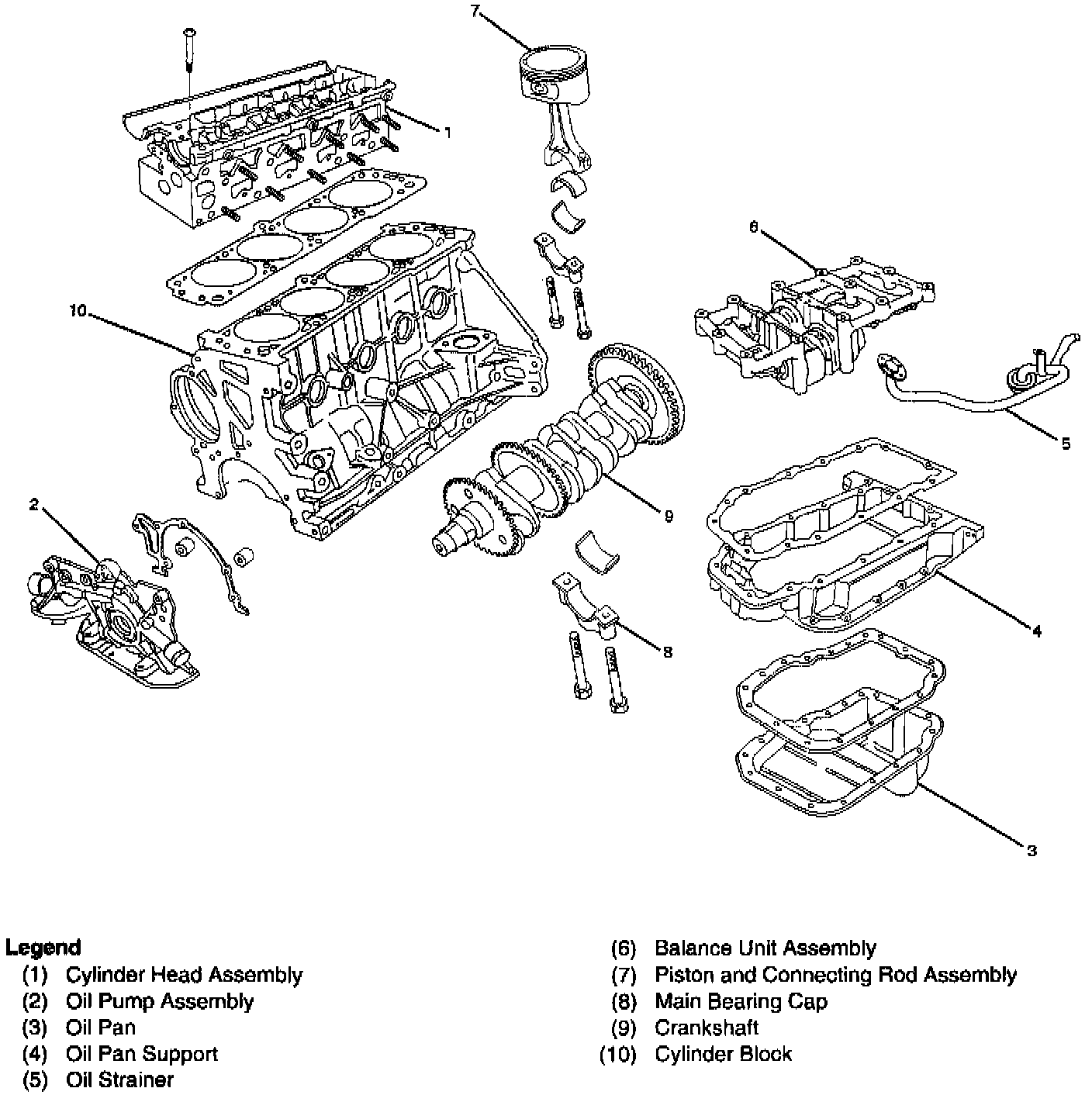
Home >> Isuzu >> 1998 >> Rodeo S 2WD L4-2.2L >> Repair and Diagnosis >> Diagrams >> Exploded Views >> Cylinder Block Assembly >> System Diagram

System Diagram