lemon-mirror:
Home >> Isuzu >> 1998 >> Rodeo LS 4WD V6-3.2L >> Repair and Diagnosis >> Specifications >> Mechanical Specifications >> Engine >> Engine Lubrication >> System Specifications >> System Specifications

System Specifications

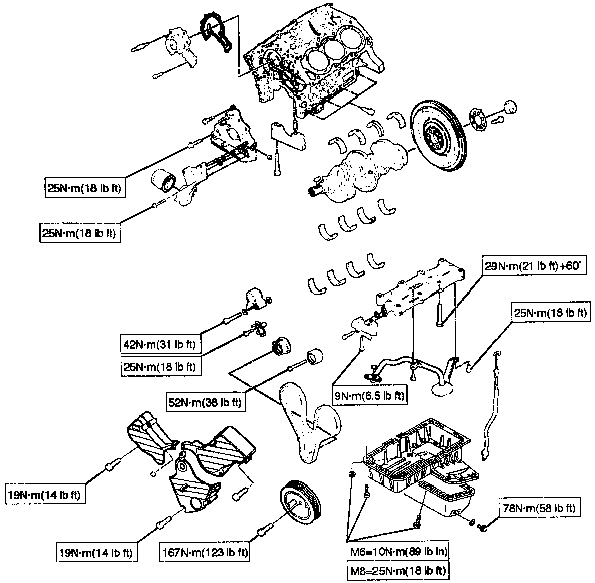
Crankcase, Oil Pan, Timing Belt Tensioner, Timing Pulley, Timing Belt Cover, Oil Pump, Oil Gallery, Oil Strainer: