lemon-mirror:
Home >> Isuzu >> 1998 >> Rodeo LS 2WD V6-3.2L >> Repair and Diagnosis >> Powertrain Management >> Transmission Control Systems >> Diagrams >> Diagnostic Aids >> Powertrain Control Module(PCM)

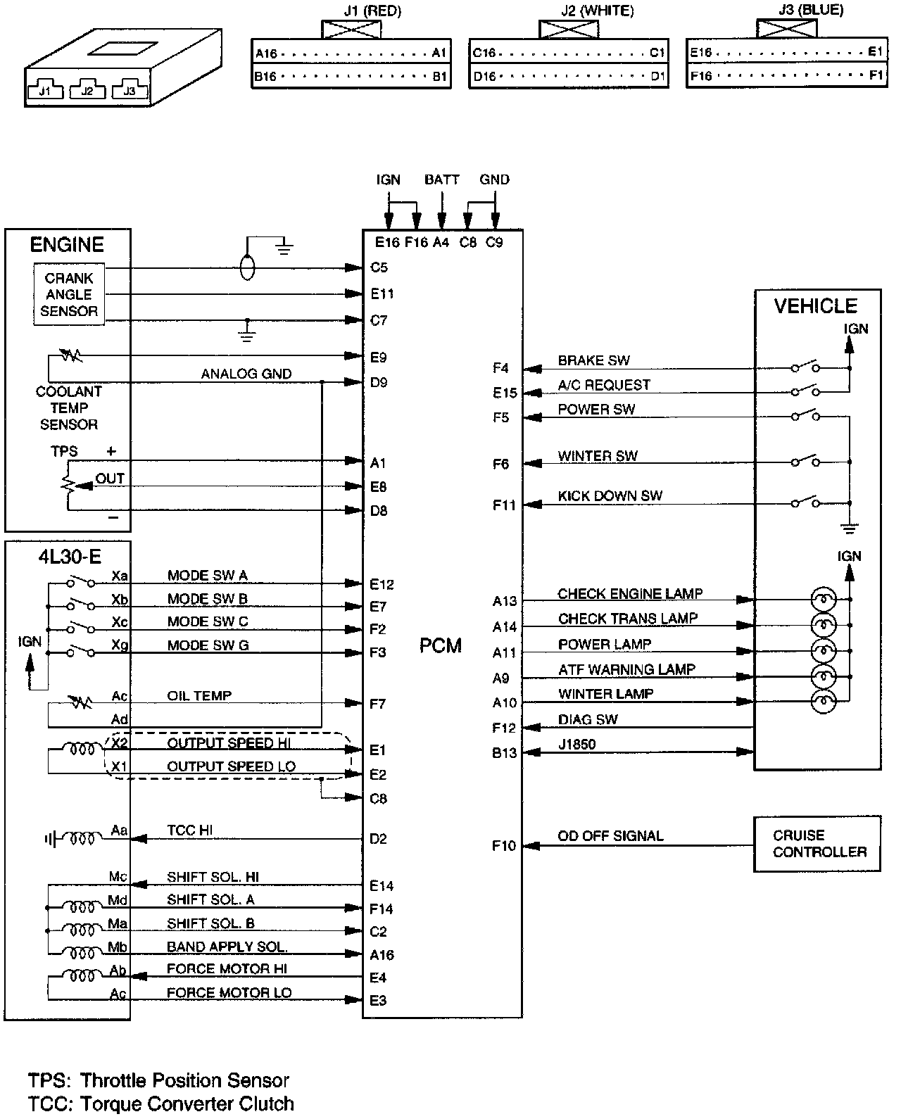
Powertrain Control Module(PCM)