lemon-mirror:
Home >> Isuzu >> 1998 >> Rodeo LS 2WD V6-3.2L >> Repair and Diagnosis >> Powertrain Management >> Computers and Control Systems >> Shift Light >> Service and Repair

Shift Light: Service and Repair

Removal
1. Disconnect the battery ground cable.




2. Remove the console assembly.
- Remove four screws.
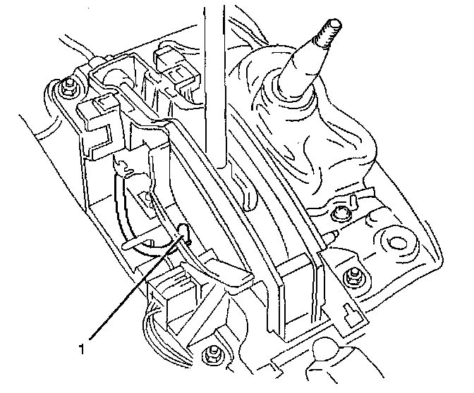
3. Remove the bulb (1).
- Turn the bulb socket counterclockwise.
- Pull out the bulb from the socket.

Installation
To install, follow the removal steps in the reverse order.