lemon-mirror:
Home >> Isuzu >> 1998 >> Rodeo LS 2WD V6-3.2L >> Repair and Diagnosis >> Diagrams >> Exploded Views >> Cylinder Block Assembly >> System Diagram >> Cylinder Block

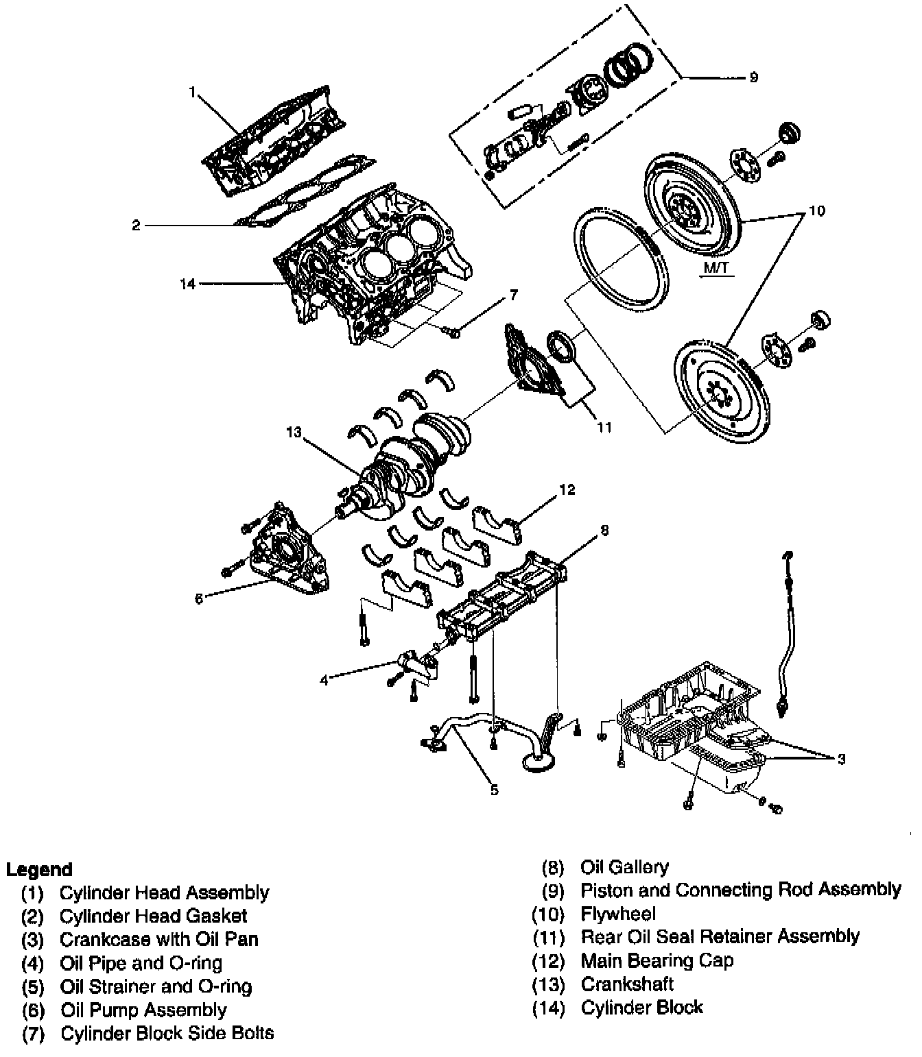
Cylinder Block

Cylinder Block: