lemon-mirror:
Home >> Isuzu >> 1996 >> Hombre L4-2.2L CPC >> Repair and Diagnosis >> Diagrams >> Electrical Diagrams >> Powertrain Management >> Computers and Control Systems >> Engine Control Module

Engine Control Module

Powertrain Control Module Wiring Diagrams

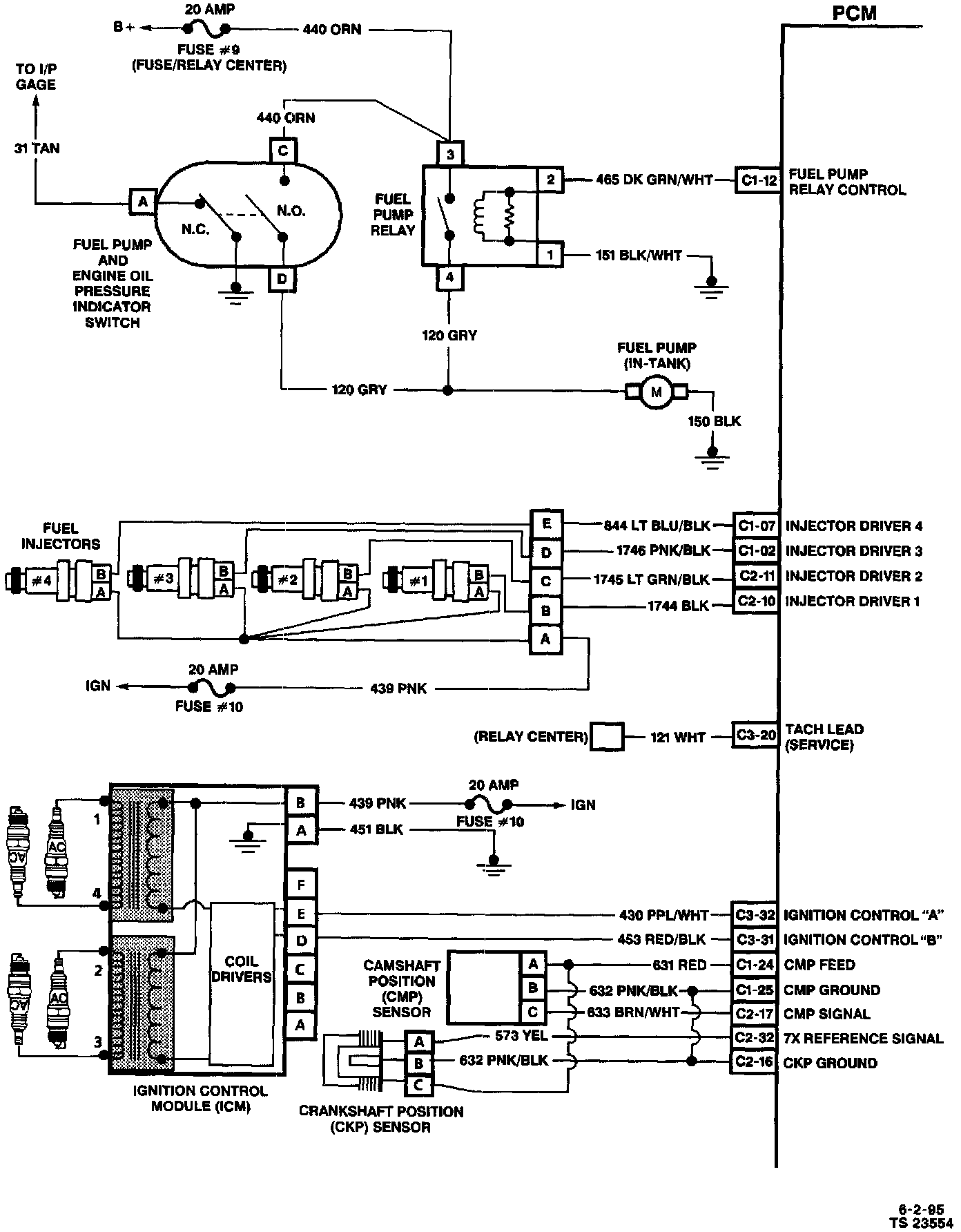
PCM Circuits (1 Of 5):




Part 1 of 5

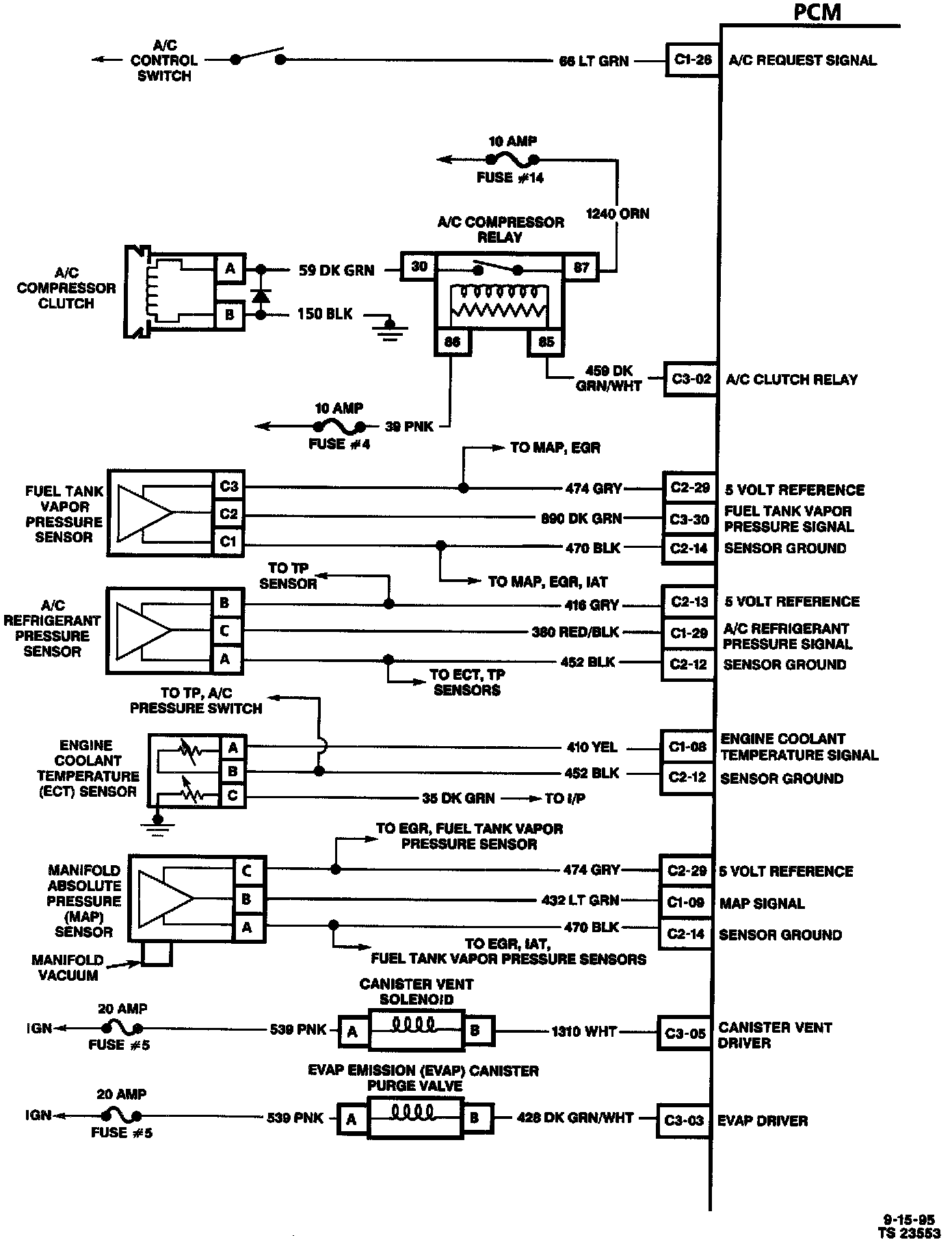
PCM Circuits (2 Of 5):




Part 2 of 5

PCM Circuits (3 Of 5):




Part 3 of 5

PCM Circuits (4 Of 5):




Part 4 of 5

PCM Circuits (5 Of 5):




Part 5 of 5