lemon-mirror:
Home >> Isuzu >> 1989 >> I-Mark L4-1471cc 1.5L >> Repair and Diagnosis >> Powertrain Management >> Ignition System >> Distributor >> Service and Repair

Distributor: Service and Repair

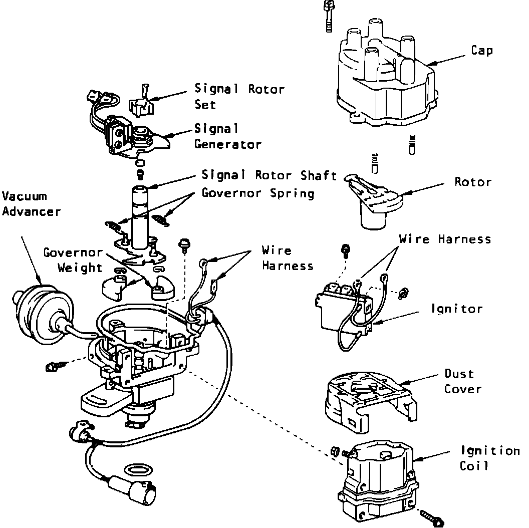
Fig. 9 Exploded View Of Distributor Assembly:





DISASSEMBLY
Refer to Fig. 9, during disassembly procedure.
1. Apply alignment marks on distributor and cylinder head, then remove distributor assembly from engine.
2. Remove distributor cap and rotor.
3. Remove dust cover, then the ignition coil attaching screws and ignition coil.
4. Disconnect wire harness electrical connectors, then remove igniter assembly.
5. Remove signal rotor set spring, then the signal rotor.
6. Remove vacuum advancer attaching screw, signal generator link and vacuum advancer.
7. Remove signal generator attaching screws, then the signal generator assembly.
8. Remove governor spring.
9. Remove grease stopper and screw, then the signal rotor shaft.
10. Remove governor weight snap ring, then the governor weight.

INSPECTION
1. Check distributor cap and rotor for cracks, burning, corrosion and wear.
2. Ensure distributor cap carbon contacts are approximately .087 inch or longer
3. Check signal generator, shaft bearing and signal rotor shaft for damage or wear.
4. Ensure vacuum controller operates smoothly when vacuum is applied.

ASSEMBLY
To assemble, reverse disassembly procedure, noting the following:
1. Measure air gap using a suitable thickness gauge. If air gap is not .008--.016 inch, replace signal generator and rotor set spring, then adjust air gap as follows:
a. Clean signal generator assembly magnet attaching screw and coil bolt area with suitable solvent.
b. Apply suitable locking compound to tip of signal generator assembly magnet attaching screw, then install screw.
c. Adjust air gap to .008--.016 inch using a suitable feeler gauge, then tighten signal generator magnet attaching screw.
2. Apply suitable sealing compound to ignition coil to distributor assembly mating surfaces.