lemon-mirror:
Home >> Infiniti >> 1990 >> M30 V6-181 3.0L >> Repair and Diagnosis >> Powertrain Management >> Computers and Control Systems >> Relays and Modules - Computers and Control Systems >> Engine Control Module >> Locations >> ECCS Control Unit

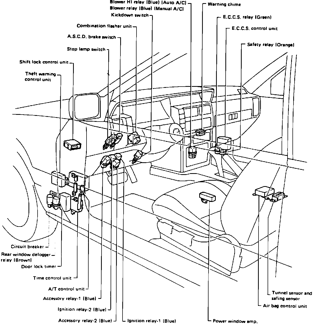
ECCS Control Unit

Passenger Compartment Component Locations:




Behind RH Side Of I/P