lemon-mirror:
Home >> Hyundai >> 2013 >> Veloster L4-1.6L >> Repair and Diagnosis >> Body and Frame >> Locks >> Keyless Entry >> Keyless Starting System >> Diagrams

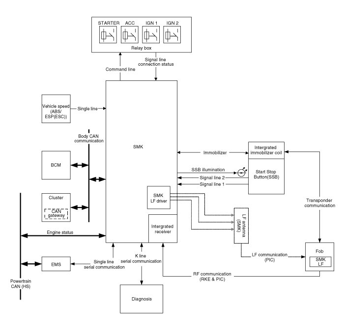
Keyless Starting System: Diagrams





Circuit Diagram (1)





Circuit Diagram (2)