lemon-mirror:
Home >> Hyundai >> 2013 >> Santa Fe FWD L4-2.4L >> Repair and Diagnosis >> Diagrams >> Electrical Diagrams >> Engine Control Module

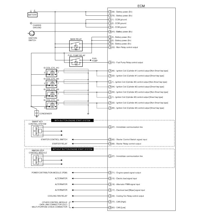
Engine Control Module





ECM Terminal And Input/Output signal




ECM Terminal Function
Connector [C100-A]













Connector [C100-B]













ECM Terminal Input/ Output signal
Connector [C100-A]














Connector [C100-B]






















Circuit Diagram