lemon-mirror:
Home >> Hyundai >> 2013 >> Santa Fe FWD L4-2.4L >> Repair and Diagnosis >> Body and Frame >> Body Control Systems >> Body Control Module >> Diagrams

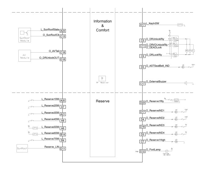
Body Control Module: Diagrams





Circuit Diagram