lemon-mirror:
Home >> Hyundai >> 2013 >> Equus V8-5.0L >> Repair and Diagnosis >> Body and Frame >> Locks >> Keyless Entry >> Keyless Starting System >> Diagrams >> Smart key System

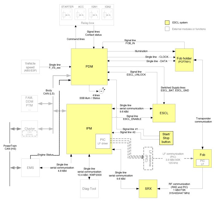
Smart key System





Block Diagram