lemon-mirror:
Home >> Hyundai >> 2013 >> Elantra L4-1.8L >> Repair and Diagnosis >> Powertrain Management >> Computers and Control Systems >> Start / Stop Module >> Diagrams >> Charging System

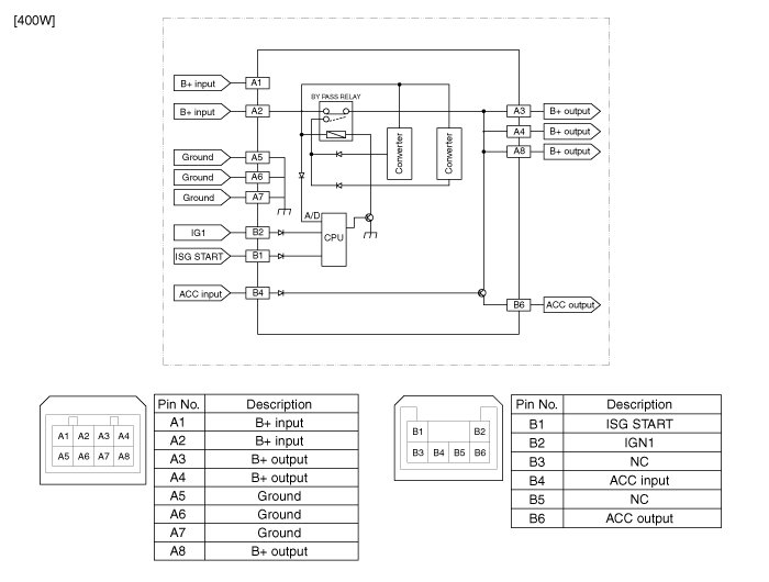
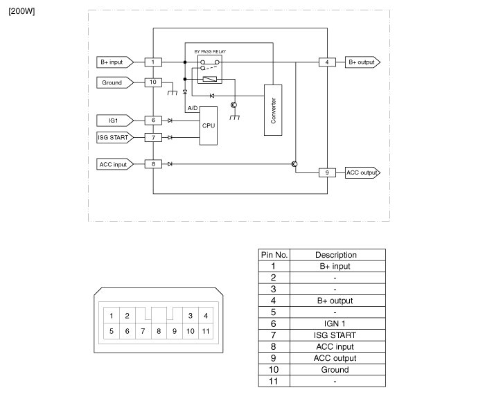
Charging System





Circuit Diagram









NOTE:
In the ISG mode, if the power of an audio system turns OFF by drawdown while "Auto Starting" or "Idle Starting"function operates, replace the DC/DC converter.