lemon-mirror:
Home >> Hyundai >> 2013 >> Azera V6-3.3L >> Repair and Diagnosis >> Transmission and Drivetrain >> Automatic Transmission/Transaxle >> Control Module >> Diagrams

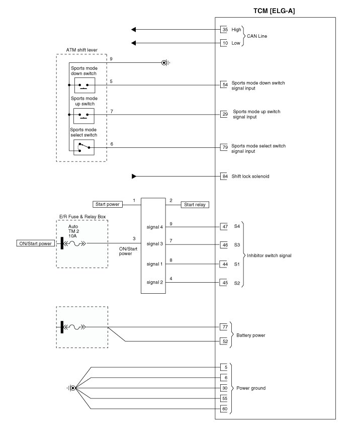
Control Module: Diagrams





TCM connector and terminal function





TCM Terminal Function

Connector [ELG-A]









Connector [CLG-B]










TCM Terminal input/ output signal

Connector[ELG-A]





Connector [CLG-B]






Circuit Diagram