lemon-mirror:
Home >> Hyundai >> 2012 >> Veracruz FWD V6-3.8L >> Repair and Diagnosis >> Powertrain Management >> Computers and Control Systems >> Body Control Module >> Description and Operation >> BCM (Body Control Module) >> Part 1

Part 1





Description





Operation

1. WIPER SYSTEM
(1) LOW SPEED CONTROL
In IGN2 ON State, if there is WIPER LOW input (LIN COMMUNICATION), then set Low Speed Wiping(LIN COMMUNICATION).
(2) HIGH SPEED CONTROL
In IGN2 ON State, if there is WIPER HIGH input (LIN COMMUNICATION), then set High Speed Wiping(LIN COMMUNICATION).
(3) VEHICLE SPEED AND INT. TIME VOLUME CONTROL THE INTERVAL TIME OF INT. WIPER.
In IGN2 ON State, if there is WIPER INT. INPUT (LIN COMMUNICATION), then set Intermittent Wiping(LIN COMMUNICATION) and send Intermittent Time(LIN COMMUNICATION).
(4) BASIC INTERVAL TIME
A. If the variance of basic interval time is less then 0.3sec, the interval time is not changed.
B. If the basic interval time is less than 1.5sec, the wiper moves continuously.
C. If the interval time is set (or has passed) more than 10sec, and in case vehicle runs (From vehicle stop to more than 7km/h), the wiper motor is driven.
Default value





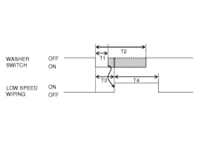
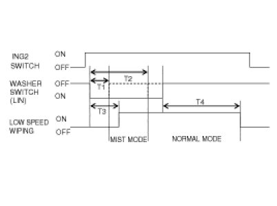
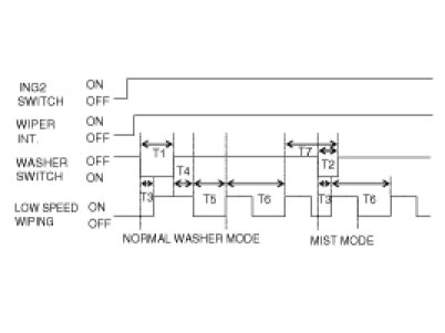
2. WIPER MOTOR CONTROL FOR WASHER
(1) MIST MODE WASHING WIPER SWITCH INPUT : 0.16SEC ~ 0.56SEC)
Condition 1









T1 : 0.16sec, T2 : 0.56sec,
T3 : 0.28sec, T4 : 0.7 ± 0.1
(2) NOMINAL MODE WASHING (WIPER SW INPUT : MORE 0.56 SEC)
Condition 1






NOTE:
The WASHER SWITCH input is ignored during cranking (IGN2 is OFF during cranking)

Condition 2









T1 : 0.16sec, T2 : 0.56sec,
T3 : 0.28sec, T4 : 3 ± 0.3sec.
(3) WASHER FUNCTION DURING WIPER INT. MODE
Condition 1





Condition 2





Condition 3









T1 : more than 0.56sec, T2 : 0.16sec ~ 0.56sec,
T3 : 0.28sec, T4 : 3 ± 0.3sec, T5 : T6 - 0.7sec,
T6 : INT. Time, T7 : Within T6.
(4) WASHER FUNCTION DURING WIPER AUTO. MODE
Condition 1









3. RAIN SENSING WIPER
In IGN2 ON state, if AUTO switch input (LIN Communication) is ON then both Low Speed Wiping (LIN COMMUNICATION) and High Speed Wiping (LIN COMMUNICATION) are controlled by the RAIN SENSOR INPUT signal.

NOTE:
When RAIN SENSOR is mounted on vehicle, the RAIN Bit of LIN is 1. In this Vehicle, if AUTO switch of M/F is ON , then M/F is sent W INT 1 and INT. time combination(INT2, INT1, INT0) via LIN COMMUNICATION.

(1) BCM OUTPUT SIGNAL(BCM TO RAIN SENSOR)
The BCM sends to the rain sensor a pulse width modulated waveform. The total period of the waveform is greater than 10 milliseconds.




(2) BCM INPUT SIGNAL(RAIN SENSOR TO BCM)
The Rain Sensor sends back to the BCM a pulse width modulated waveform with one distinct period (see diagram below):




(3) AUTOMATIC MODE
When the wiper switch is moved to AUTO position and the Ignition switch is in IGN2 position, the Rain sensor is considered to be in "AUTOMATIC" mode.
4. TAIL LAMP AUTO CUT
(1) GENERAL CONTROL
In BATTERY ON State, if (TAIL SW INPUT is ON and AUTO CUT is not activity), TAIL LAMP RELAY OUTPUT is ON.
The BCM memorizes the AUTO CUT state in EEPROM.
(2) TAIL LAMP AUTO CUT IN NON-SMK OPTION
The auto-cut strategy ensures that tail lamps are turned off even if the driver forgets to turn them off.
The tail lamp is turned ON by tail switch after KEY IN switch ON, then after if the user KEY IN switch OFF and opens the driver side door, the TAIL lamp is automatically cut.
Also at the state KEY IN switch ON, when KEY IN switch is turned OFF after opens the Diver Side DOOR, the TAIL lamp is automatically cut.
(The switch detection sequence of KEY IN switch and DRIVER DOOR switch is ignored.)
After "AUTO CUT", the "AUTO CUT" function is disabled and TAIL LIGHTS are turned ON if the driver turns ON again the TAIL switch or KEY IN becomes ON.




(3) TAIL LAMP AUTO CUT FUNCTION IN SMK OPTION
A. The case of without Limp Home condition
The state of (ACC OFF & IGN1 OFF & IGN2 OFF), and Tail Lamp output On, if Driver side Door is opened, the TAIL lamp is automatically cut.
Also after Driver side Door is opened, (ACC OFF & IGN1 OFF & IGN2 OFF), the TAIL lamp is automatically cut.
B. The case of Limp Home condition
TAIL lamp auto cut function is operated the same method of Non-PIC SMK Option.

NOTE:
BCM has same behavior between SMK and Non-SMK option in tail lamp auto cut function. So, for active auto cut, it is need to off the key IN and ACC signal.

5. HEAD LAMP CONTROL
(1) HEAD LAMP LOW CONTROL
In IGN2 ON State, if there is HEAD LAMP LOW SW input (LIN COMMUNICATION), HEADLAMP LOW RELAY OUTPUT is turned ON.





In IGN1 ON and IGN2 ON status, If the LIN Communication failure is detected, turn on the head Lamp Low. (LIMPHOME strategy)
(2) HEAD LAMP HIGH CONTROL
In IGN2 ON State, If HEAD LAMP HIGH SW INPUT and HEAD LAMP LOW RELAY (LIN COMMUNICATION) is detected then HEAD LAMP HIGH RELAY OUTPUT is turned ON, which means the O HL HIGH RELAY and also the O HL HIGH IND the indicator on the dashboard.
(3) PASSING CONTROL
In IGN2 ON State, If HEAD LAMP PASSING INPUT (LIN COMMUNICATION) is detected then HEAD LAMP HIGH RLY OUTPUT (O HL HIGH RELAY and O HL HIGH IND) is turned ON and also at the same time HEAD LAMP LOW RLY OUTPUT.
6. AUTO LIGHT CONTROL
In the state of IGN1 ON and IGN2 ON, when MULTI FUNCTION switch module detects AUTO LIGHT switch ON, TAIL LAMP RELAY output and HEAD LAMP LOW RELAY output are controlled according to AUTO LIGHT Sensor's INPUT. In the state of IGN1 ON, when MULTI FUNCTION switch module detects AUTO LIGHT switch ON, TAIL LAMP RELAY output is controlled according to AUTO LIGHT Sensor's INPUT.

If IGN1 ON (for cranking) or ACC ON (for AV TAIL Function activity), the BCM supplies the power to Auto light sensor and monitors the range of this supply and raises up a failure as the supply's voltage is out of range (that is.: less than 4 Volts, more than 6 Volts).

The filtering of the error is 300ms to raise up this one, and also 300ms to clear this one.

Then this failure occurs and as long as this is present, the head lamp must be turned on without taking care about the sunlight level provided by the sensor.

This is designed to prevent any head lamp cut off when the failure occurs during the night.
(1) EXPORT VERSION









NOTE:
At export version HEAD LAMP LOW RELAY is turned ON/OFF at the time TAIL LAMP RELAY is turned ON/OFF.

(2) THRESHOLD VALUE TABLE
In IGN2 ON State, according to AUTO LIGHT Sensor's INPUT, TAIL and HEADLAMP is ON/OFF.





7. FRONT FOG LAMP CONTROL
In case of (IGN2 = ON) & (HEADLAMP LOW OUTPUT= ON) & (HEADLAMP HIGH OUTPUT OFF) status, if FRONT FOG SWITCH input is detected, FRT FOG LAMP RELAY OUTPUT (O FOG FRONT RELAY) is turned ON.





NOTE:
Front Fog Lamp SW is not Self-Return Type.

8. DAYTIME RUNNING LIGHT CONTROL (CANADA)
DRL option input & North America option input line is connected to the ground electrical level.
CANADA option uses HIGH BEAM as the HEAD LAMP.
Release condition:
(1) HEADLAMP LOW RELAY ON or
(2) HEADLAMP HIGH RELAY or PASSING ON or
(3) PARKING BRAKE ON





NOTE:
Headlamp low output includes condition on switches and also by AUTO LIGHT.

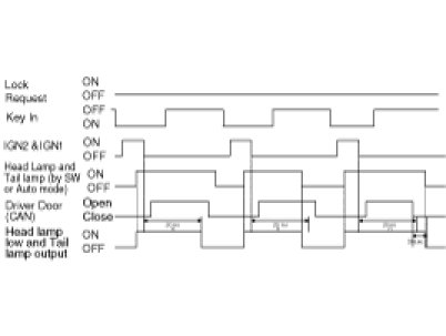
9. FOLLOW ME HOME FUNCTION
Due to the change of law for North American variant, tail lamp should be ON as long as head lamp is ON. Tail lamp can't be turned OFF when head lamp is ON.
After switching off ignition, you generate a call of headlight (head lamp low and tail lamp) and open driver side door and then after close driver door, you will have consequently lighting of head lamp low and tail lamp during 30sec.





NOTE:
1. Door Lock 2 times : Tx Door Lock 2 times or Passive Door Lock 2 times
2. When Open the Driver door, former 2 times lock counter is cleared, and Start new 2 times lock counting
3. During active the Follow-me-home function(counting 30sec), if Driver door is re-opened, re-start 20min counter and if Driver door is re-close, re-start 30sec counter.








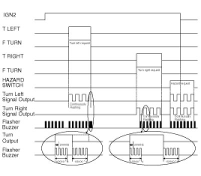
10. FLASHER BUZZER Operation
When the BCM detects the TURN LEFT SIGNAL or TURN RIGHT SIGNAL transition, then starts flasher buzzer outputs depend on transition.




T1 : 2KHz, 50% Duty
11. TURN SIGNAL NORMAL OPERATING CONDITION
(Turn signal period : 85 ± 10 period/min)

While IGN2 is ON, if FULL TURN SIGNAL or TURN SIGNAL LEFT or TURN SIGNAL RIGHT or HAZARD input is detected, then turn signal outputs are turned ON TURN LAMPs following as switch input state (FULL LEFT, FULL RIGHT or HAZARD).
A. Full Turn Left(T LEFT = 1 and F TURN = 1) : Continuously flashing turn left lamp
B. Full Turn Right(T RIGHT = 1 and F TURN = 1) : Continuously flashing turn right lamp

NOTE:
Priority : HAZARD > TURN SIGNAL




Normal : 85 ± 10 Period/min
12. DOUBLE BLINKING CONDITION
In case of activation of hazard the fault detection will be able to detect the failure only if 3 bulbs are broken-down. This bulb failure can be tested by the diagnostic specification.
In case of turn signal activation when one of the FRONT or REAR is broken-down (Lamp failure), the turn signal blinks with double frequency. Lamp failure condition as below.
(1) Flasher fault detection should be inhibited according to Battery voltage status When the VBAT voltage is lower than 9V -> this threshold for flasher fault detection should be configured as the calibration variable (EEPROM variable)
(2) The fault detection is carried out continuously, until fault condition is detected by BCM and once fault is detected, BCM keep the fault condition until flasher triggering condition is released(Turn Right or Left switch off/ IGN1 & IGN2 or Hazard switch off)
The double blinking works at IGN1 ON & IGN2 ON condition, double blinking for Hazard: Except side lamp, if any error condition is detected then triggered the double blinking.
Period: 140 ±10 period/min




13. MAGNETIC BUZZER SOUND
Sound Period : T2 (0.6 s or 0.25 s or 0.730s)
Sound duration : T1 (fix value or infinite)




(1) SOUND PRIORITY
A. 1st : Diagnostic sound (provided to test the Buzzer by way of Diagnostic tool)
B. 2nd : Seat belt warning
C. 3rd : Overspeed warning
D. 4th : Key operated warning
E. 5th : Parking Brake warning
F. 6th : "MSL not blocked" warning (SMK option only)
G. 7th : Key learning sound (Sound period : 600 m sec.) (Learning with High SCAN tool) (non SMK option only)
H. 8th : Key learning sound (Sound period : 600 m sec.) (Learning with Code Saving tool) (non SMK option only)
I. 9th : Warnings for SMK systems (ID Deactivation warning) (SMK option only)

NOTE:
A buzzer ending restores the activity of a buzzer previously interrupted.

(2) BUZZER SOUND ENDING

NOTE:
After any buzzer sound block ends, another buzzer sound block can start. During warning sound, the other high priority warning can't interrupt current activating one before the end of the previous sound block.




14. SEAT BELT WARNING FUNCTION
A calibration bit Seat belt warning buzzer sound option is defined to disable /enable the seat belt reminder buzzer, this calibration bit is by default set to True.

A calibration bit Assistant Seat Belt Reminder option is defined to enable/disable the Assistant side Seat Belt Reminder function, this calibration bit is by default set to False.
(1) SEAT BELT WARNING LAMP DRIVING CONDITION




(2) SEAT BELT WARNING SOUND
Frequency : 800 Hz
Sound period : T2 = 1sec
Sound duration : T1 = (see following chapters)
In case of 6sec blinking case, following as seat belt lamp blinking, buzzer warning sound. So if lamp is blinking over 6sec, buzzer warning sound one more time.