lemon-mirror:
Home >> Hyundai >> 2012 >> Veracruz FWD V6-3.8L >> Repair and Diagnosis >> Power and Ground Distribution >> Power Distribution Module >> Service and Repair

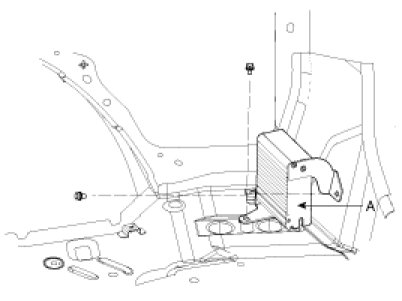
Power Distribution Module: Service and Repair





Removal

1. Disconnect the negative(-) battery terminal.
2. Remove the luggage side trim.

3. Remove the A/C Inverter unit (A) after loosening 2 bolts.




4. Disconnect the unit connector.

Installation

1. Install the A/C Inverter unit.
2. Connect the unit connector.
3. Install the luggage side trim.