lemon-mirror:
Home >> Hyundai >> 2012 >> Veracruz FWD V6-3.8L >> Repair and Diagnosis >> Diagrams >> Electrical Diagrams >> Powertrain Management >> Engine Control Module

Engine Control Module





ECM Terminal And Input/output Signal

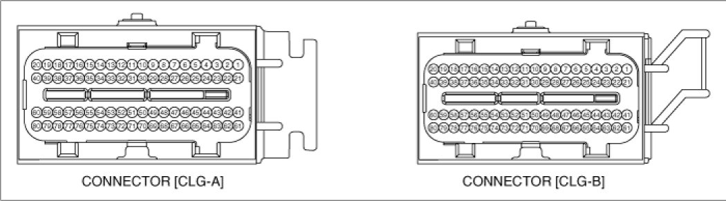
ECM Harness Connector




ECM Terminal Function
Connector [CLG-A]









Connector [CLG-B]









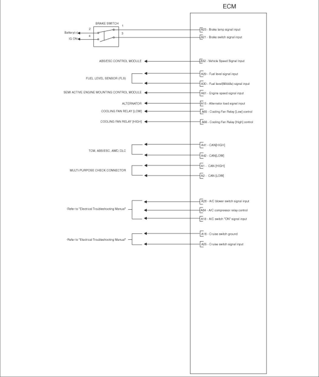
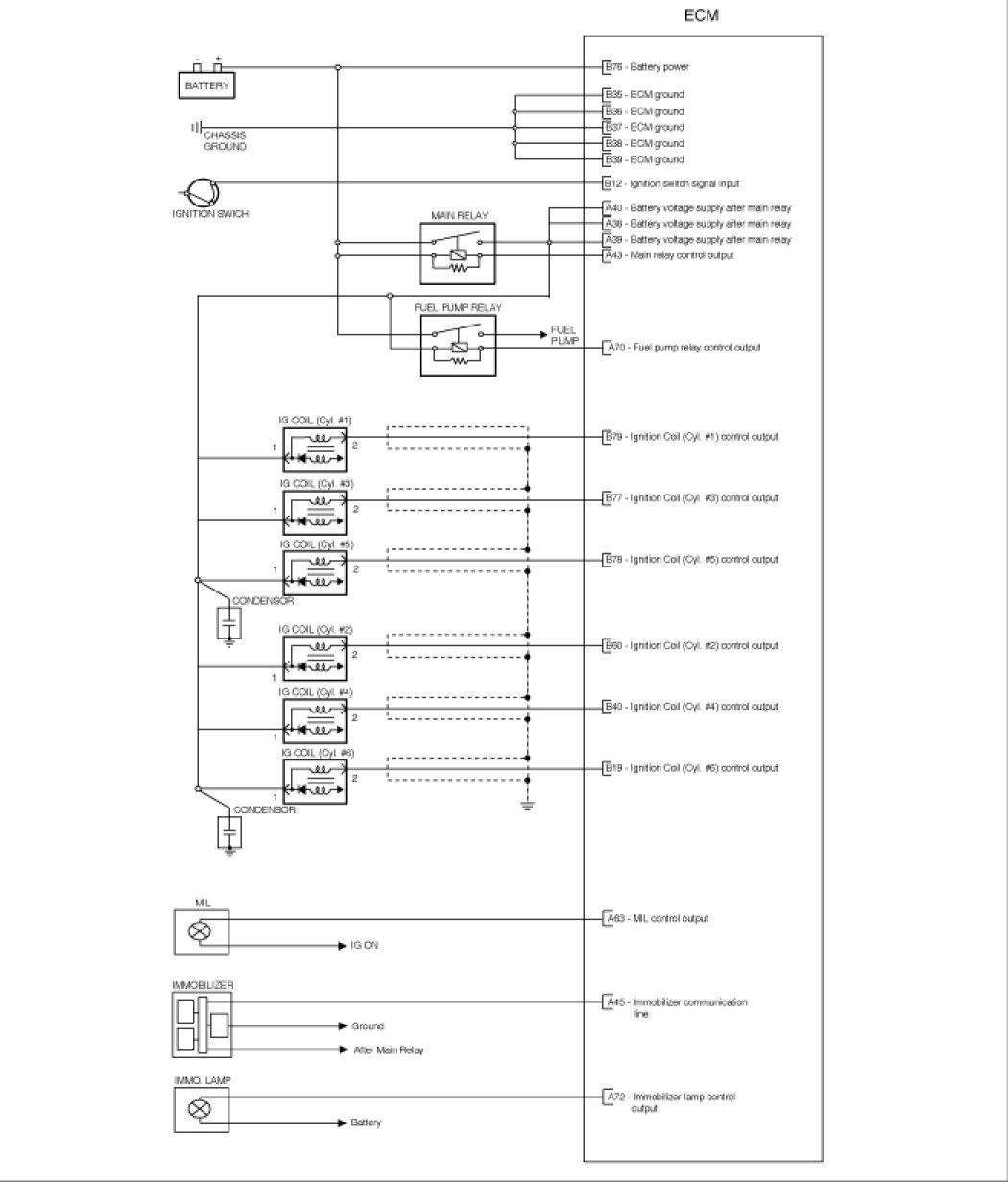
ECM Terminal Input/output Signal
Connector [CLG-A]













Connector [CLG-B]


















Circuit Diagram