lemon-mirror:
Home >> Hyundai >> 2012 >> Veloster L4-1.6L >> Repair and Diagnosis >> Powertrain Management >> Computers and Control Systems >> Engine Control Module >> Diagrams >> Electrical Diagrams

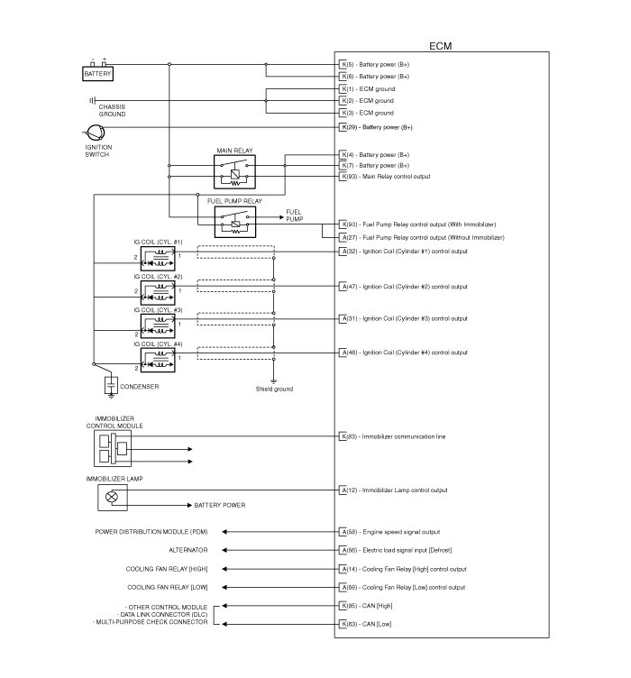
Electrical Diagrams





Harness Connector




ECM Terminal Function
Connector [EGGM-A]









Connector [EGGM-K]













ECM Terminal Input/Output Signal
Connector [EGGM-A]













Connector [EGGM-K]














Circuit Diagram