lemon-mirror:
Home >> Hyundai >> 2012 >> Veloster L4-1.6L >> Repair and Diagnosis >> Diagrams >> Electrical Diagrams >> Starting System >> Keyless Starting System >> Keyless Start Control Module

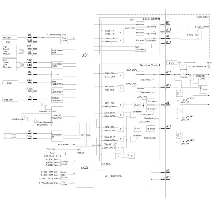
Keyless Start Control Module





Circuit Diagram