lemon-mirror:
Home >> Hyundai >> 2012 >> Veloster L4-1.6L >> Repair and Diagnosis >> Diagrams >> Electrical Diagrams >> Keyless Entry >> Keyless Entry Module

Keyless Entry Module

SD954-2 Smart Key Module System (1):




SD954-3 Smart Key Module System (2):




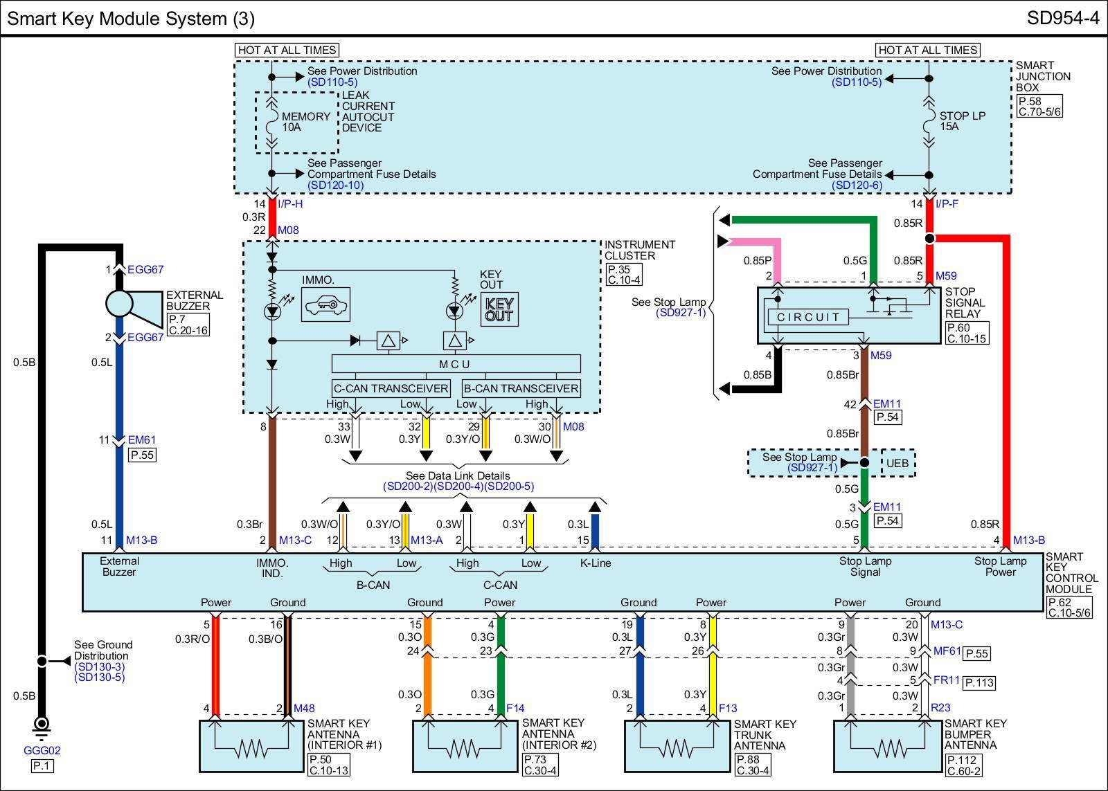
SD954-4 Smart Key Module System (3):




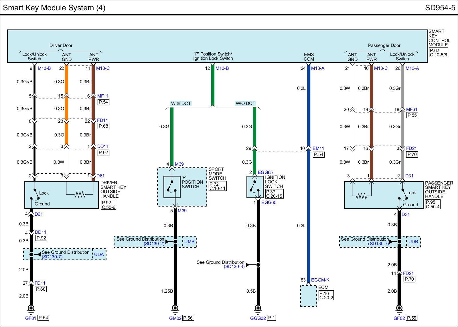
SD954-5 Smart Key Module System (4):






Diagrams: Other diagrams referred to by SD number (i.e SD130-4, etc.) within these diagrams can be found at Diagrams by Number. Diagrams By Number

Locations: Location photographs (references to PHOTOS) referred to within these diagrams can be found via the photo number at the vehicle level under Locations by Photo Number. Locations By Photo Number