lemon-mirror:
Home >> Hyundai >> 2012 >> Tucson FWD L4-2.4L >> Repair and Diagnosis >> Transmission and Drivetrain >> Automatic Transmission/Transaxle >> Control Module >> Service and Repair >> Repair Procedures

Repair Procedures





Replacement

NOTE:
In the case of the vehicle equipped with immobilizer or button engine start system, perform "Key Teaching" procedure together .

1. Turn ignition switch OFF and disconnect the negative (-) battery cable.
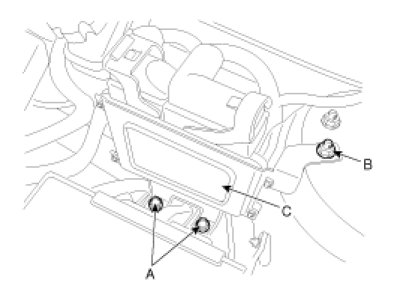
2. Disconnect the TCM Connector (A).




3. Remove the battery .
4. Remove the mounting bolts (A) and nut (B), and then remove the TCM (C).

Tightening torque:
(A) 21.6 - 32.4 N.m (2.2 - 3.3 kgf.m, 15.9 - 23.9 lb-ft)
(B) 9.8 - 14.7 N.m (1.0 - 1.5 kgf.m, 7.2 - 10.9 lb-ft)





TCM Problem Inspection Procedure

1. TEST TCM GROUND CIRCUIT: Measure resistance between TCM and chassis ground using the backside of TCM harness connector as TCM side check point. If the problem is found, repair it.

Specification:Below 1Ohms

2. TEST TCM CONNECTOR: Disconnect the TCM connector and visually check the ground terminals on TCM side and harness side for bent pins or poor contact pressure. If the problem is found, repair it.
3. If problem is not found in Step 1 and 2, the TCM could be faulty. If so, make sure there were no DTC's before swapping the TCM with a new one, and then check the vehicle again. If DTC's were found, examine this first before swapping TCM.
4. RE-TEST THE ORIGINAL TCM: Install the original TCM (may be broken) into a known-good vehicle and check the vehicle. If the problem occurs again, replace the original TCM with a new one. If problem does not occur, this is intermittent problem .

Adjustment

TCM Learning
When shift shock is occurred or parts related with the transaxle are replaced, TCM learning should be performed.
In the following case, TCM learning is required.
- Transaxle assembly replacement
- TCM replacement
- TCM upgrading
1. TCM learning condition
- ATF temperature: 60 - 115°C (140 - 239°F)
2. TCM learning procedure
A. Stop learning
Repeat the below shift pattern four times or more with stepping on the brake.




B. Driving learning
1. Drive the vehicle through all gears at D range. Drive from stop to 1st to 2nd to 3rd to 4th to 5th to 6th with keeping fixed throttle open.
2. Down shift from 6th to 5th, 5th to 4th, 4th to 3rd, 3rd to 2nd, 2nd to 1st.
3. Repeat the above driving pattern four times or more.

NOTE:
Up-shift throttle open : 15 - 30%