lemon-mirror:
Home >> Hyundai >> 2012 >> Tucson FWD L4-2.4L >> Repair and Diagnosis >> Body and Frame >> Locks >> Keyless Entry >> Testing and Inspection

Keyless Entry: Testing and Inspection





Inspection

Front Door Lock Actuator
1. Remove the front door trim.

2. Remove the front door module.

3. Disconnect the connectors from the actuator.




4. Check actuator operation by connecting power and ground according to the table. To prevent damage to the actuator, apply battery voltage only momentarily.

[Central Lock]





Rear Door Lock Actuator
1. Remove the rear door trim.

2. Remove the rear door module.

3. Disconnect the connectors from the actuator.




4. Check actuator operation by connecting power and ground according to the table. To prevent damage to the actuator, apply battery voltage only momentarily.

[Central Lock]





Tailgate Lock Actuator Inspection
1. Remove the tailgate trim.

2. Disconnect the 4P connector from the actuator.




3. Check actuator operation by connecting power and ground according to the table. To prevent damage to the actuator, apply battery voltage only momentarily.





Front Door Lock Switch
1. Remove the front door trim.

2. Remove the front door module.

3. Disconnect the connectors from the actuator.




4. Check for continuity between the terminals in each switch position when inserting the key into the door according to the table.





Rear Door Lock Switch
1. Remove the rear door trim.

2. Remove the rear door module.

3. Disconnect the connectors from the actuator.




4. Check for continuity between the terminals in each switch position according to the table.





Tailgate Switch
1. Remove the tailgate trim.

2. Disconnect the 4P connector from the actuator.




3. Check for continuity between the terminals in each switch position according to the table.





Door Switch
Remove the door switch and check for continuity between the terminals.









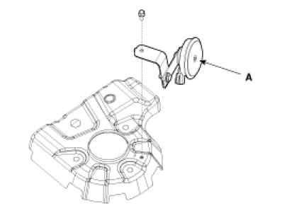
Hood Switch
1. Disconnect the connector (A) and bolt from the hood switch.




2. Check for continuity between the terminals and ground according to the table.





Burglar Horn
1. Remove the burglar horn after removing a bolt and disconnect the 2P connector from the burglar horn.




2. Test the burglar horn by connecting battery power to the terminal 1 and ground the terminal 2.
3. The burglar horn should make a sound. If the burglar horn fails to make a sound replace it.