lemon-mirror:
Home >> Hyundai >> 2012 >> Tucson FWD L4-2.0L >> Repair and Diagnosis >> Powertrain Management >> Computers and Control Systems >> Body Control Module >> Diagrams >> Electrical Diagrams

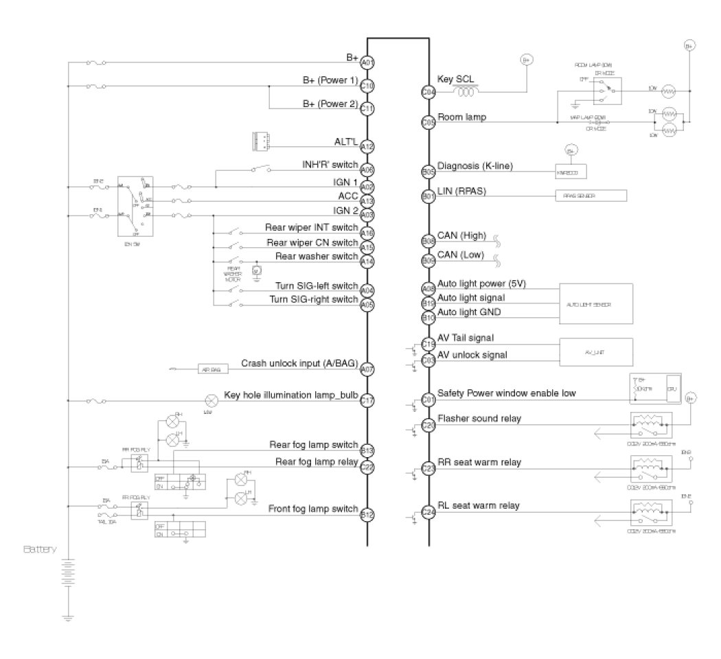
Electrical Diagrams





Circuit Diagram