lemon-mirror:
Home >> Hyundai >> 2012 >> Sonata L4-2.4L >> Repair and Diagnosis >> Powertrain Management >> Computers and Control Systems >> Body Control Module >> Diagrams >> Electrical Diagrams

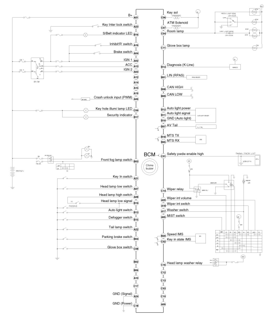
Electrical Diagrams





BCM Connector Terminals

BCM Input Signal SPEC






Pin Arrangement




Connector A





Connector B





Connector C






Circuit Diagram