lemon-mirror:
Home >> Hyundai >> 2012 >> Sonata L4-2.0L Turbo >> Repair and Diagnosis >> Diagrams >> Electrical Diagrams >> Powertrain Management >> Engine Control Module

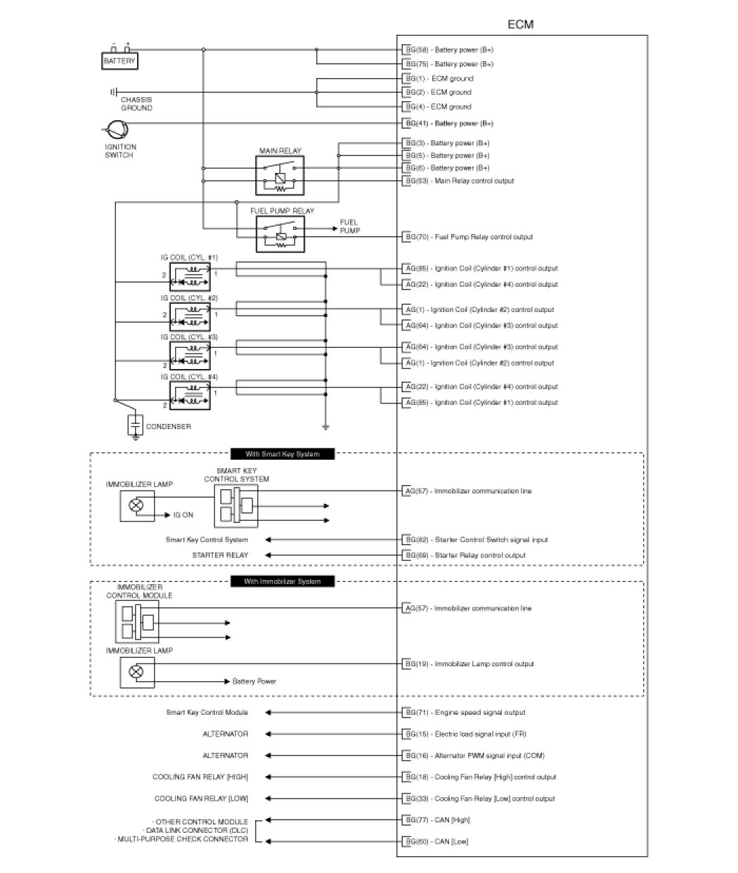
Engine Control Module





ECM Terminal And Input/Output signal




ECM Terminal Function
Connector [CHTG-AG]













Connector [CHTG-BG]













ECM Terminal Input/ Output signal
Connector [CHTG-AG]

















Connector [CHTG-BG]






















Circuit Diagram