lemon-mirror:
Home >> Hyundai >> 2012 >> Santa Fe FWD L4-2.4L >> Repair and Diagnosis >> Powertrain Management >> Computers and Control Systems >> Fuel Level Sensor >> Locations >> Fuel Delivery System

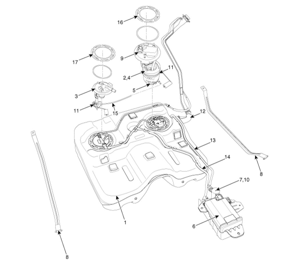
Fuel Delivery System





Components Location