lemon-mirror:
Home >> Hyundai >> 2012 >> Genesis Sedan V8-5.0L >> Repair and Diagnosis >> Diagrams >> Electrical Diagrams >> Powertrain Management >> Engine Control Module

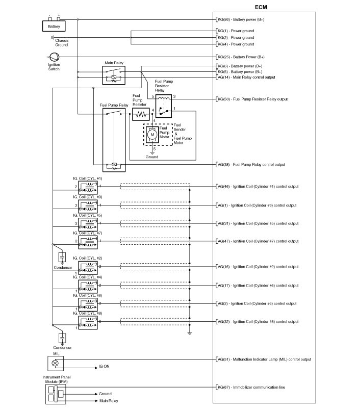
Engine Control Module





ECM Terminal And Input / Output signal

ECM Harness Connector




ECM Terminal Function
Connector [CTG-AG]









Connector [CTG-KG]













ECM Terminal Input/ Output signal
Connector [ CTG-AG ]













Connector [ CTG-KG ]


















Circuit Diagram