lemon-mirror:
Home >> Hyundai >> 2012 >> Genesis Sedan V6-3.8L >> Repair and Diagnosis >> Powertrain Management >> Computers and Control Systems >> Fuel Level Sensor >> Locations >> Fuel Delivery System

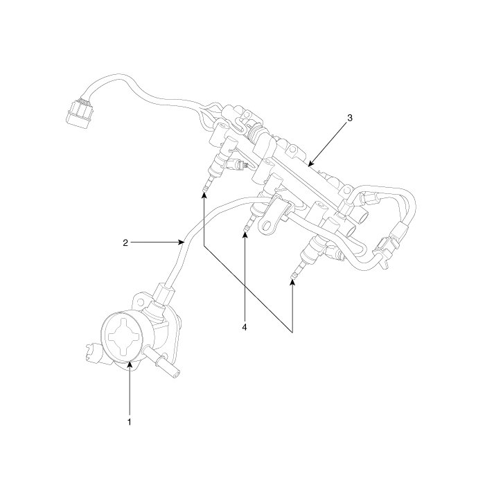
Fuel Delivery System





Components Location










[High Pressure Fuel Line]










WARNING:
In case of removing the high pressure fuel pump, high pressure fuel pipe, delivery pipe, and injector, there may be injury caused by leakage of the high pressure fuel. So don't do any repair work right after engine stops.