lemon-mirror:
Home >> Hyundai >> 2012 >> Genesis Sedan V6-3.8L >> Repair and Diagnosis >> Diagrams >> Electrical Diagrams >> Starting System >> Keyless Starting System >> Keyless Start Control Module >> Smart Key Unit

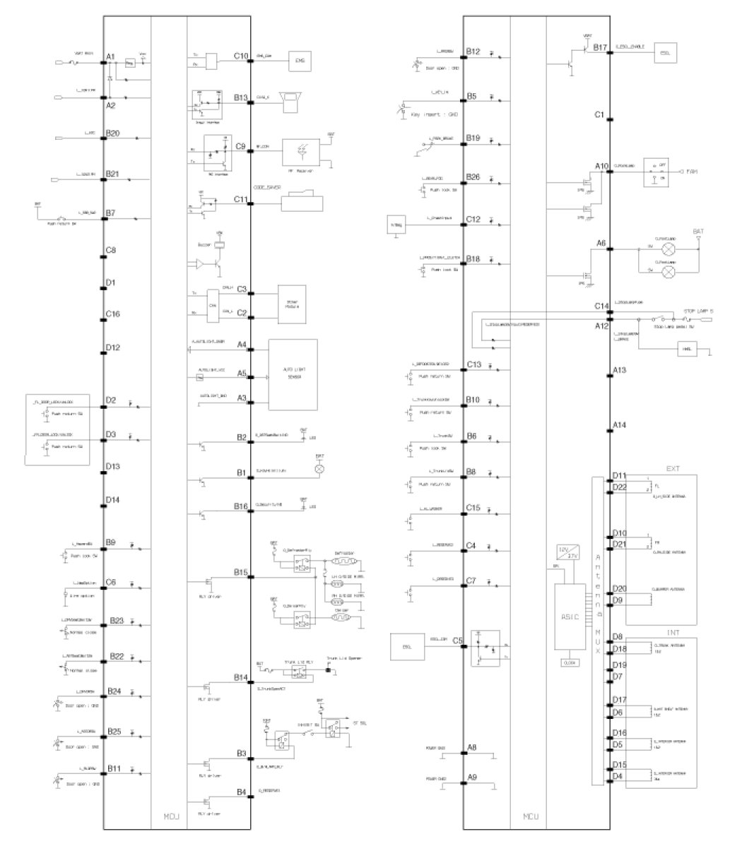
Smart Key Unit





Circuit Diagram