lemon-mirror:
Home >> Hyundai >> 2012 >> Genesis Sedan V6-3.8L >> Repair and Diagnosis >> Diagrams >> Electrical Diagrams >> Memory Positioning Systems >> Memory Positioning Module >> IMS Control Switch

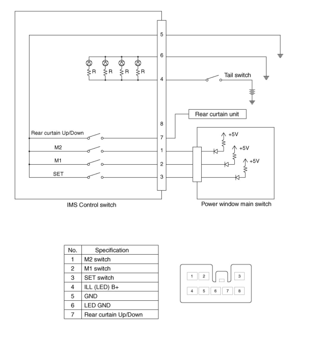
IMS Control Switch





Circuit Diagram