lemon-mirror:
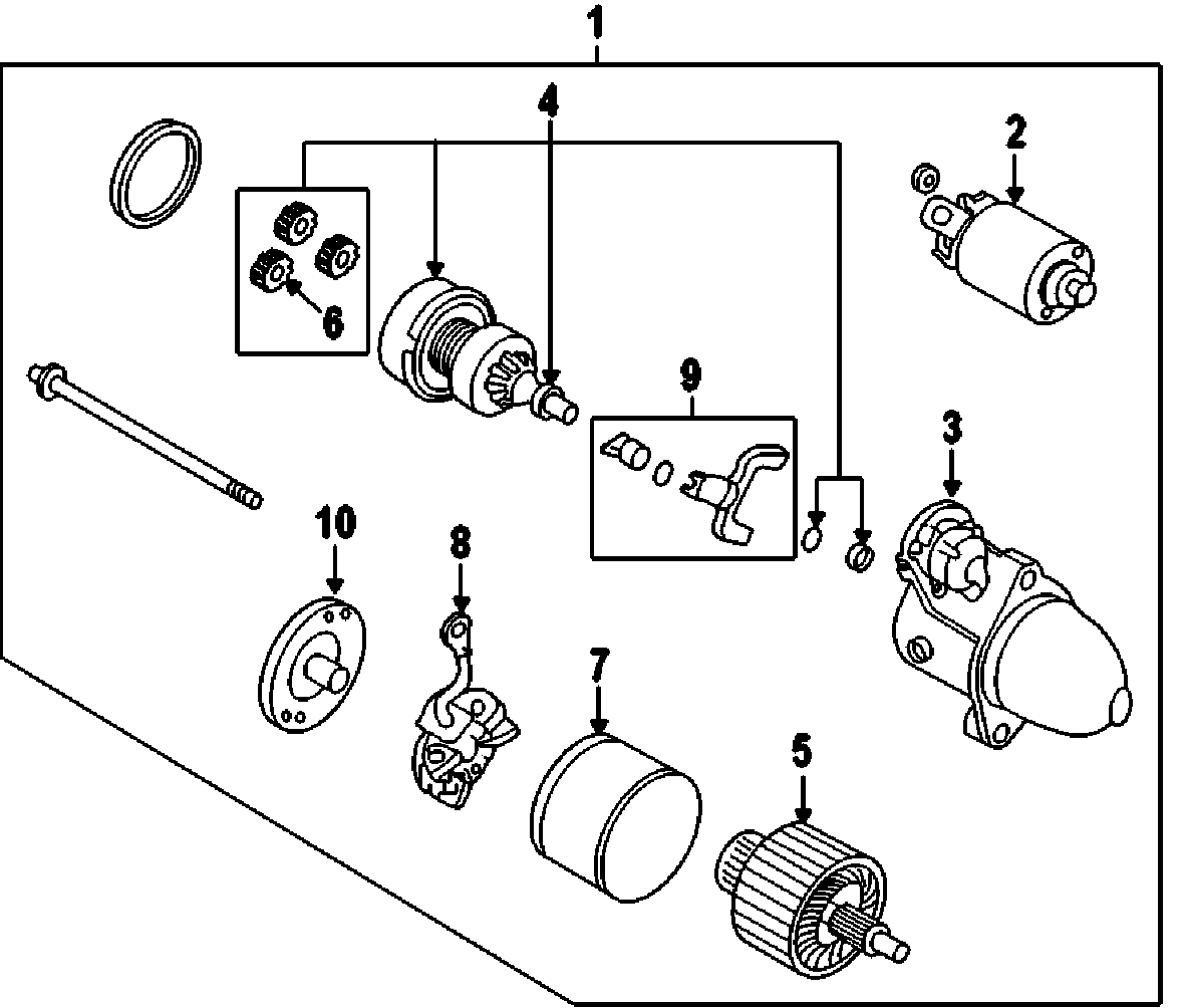
Home >> Hyundai >> 2012 >> Genesis Sedan V6-3.8L >> Parts and Labor >> Starting and Charging >> Starting System >> Images

Images

Starting System: