lemon-mirror:
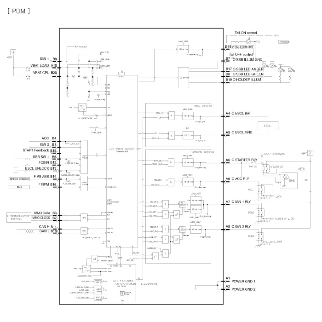
Home >> Hyundai >> 2012 >> Genesis Coupe V6-3.8L >> Repair and Diagnosis >> Diagrams >> Electrical Diagrams >> Starting System >> Keyless Starting System >> Keyless Start Control Module >> Button Engine Start System

Button Engine Start System





System Circuit Diagram