lemon-mirror:
Home >> Hyundai >> 2012 >> Elantra L4-1.8L >> Repair and Diagnosis >> Diagrams >> Electrical Diagrams >> Starting System >> Keyless Starting System >> Keyless Start Control Module

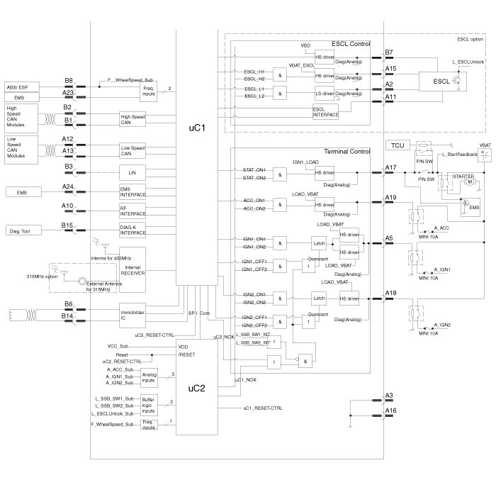
Keyless Start Control Module





Circuit Diagram