lemon-mirror:
Home >> Hyundai >> 2012 >> Elantra L4-1.8L >> Repair and Diagnosis >> Diagrams >> Electrical Diagrams >> Powertrain Management >> Engine Control Module

Engine Control Module





ECM Terminal And Input/Output signal (M/T)




ECM Terminal Function
Connector [CNG-MA]









Connector [CNG-MK]













ECM Terminal Input/ Output signal
Connector [CNG-MA]













Connector [CNG-MK]














ECM Terminal And Input/Output signal (A/T)




ECM Terminal Function
Connector [CNG-AA]













Connector [CNG-AB]













ECM Terminal Input/Output signal (AT)
Connector [CNG-AA]













Connector [CNG-AB]


















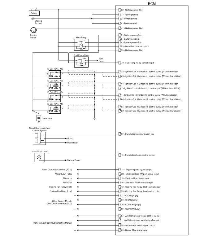
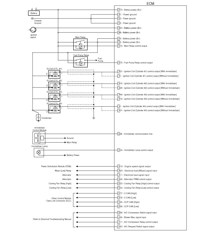
Circuit Diagram

(M/T)
















(A/T)