lemon-mirror:
Home >> Hyundai >> 2012 >> Azera V6-3.3L >> Repair and Diagnosis >> Powertrain Management >> Computers and Control Systems >> Variable Valve Timing Actuator >> Service and Repair >> CVVT Assembly >> Components and Components Location

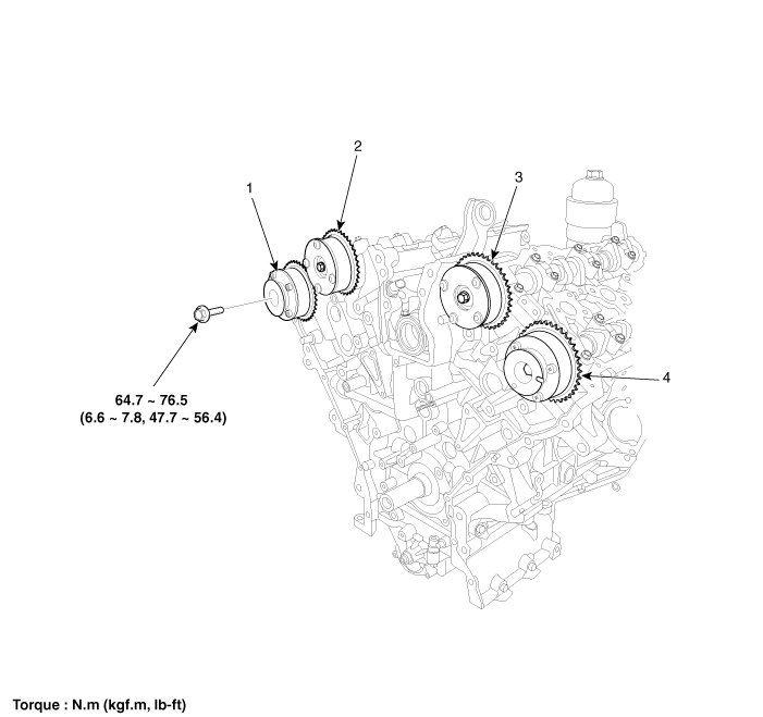
Components and Components Location





Components