lemon-mirror:
Home >> Hyundai >> 2012 >> Azera V6-3.3L >> Repair and Diagnosis >> Powertrain Management >> Computers and Control Systems >> Fuel Level Sensor >> Locations >> Emission Control System

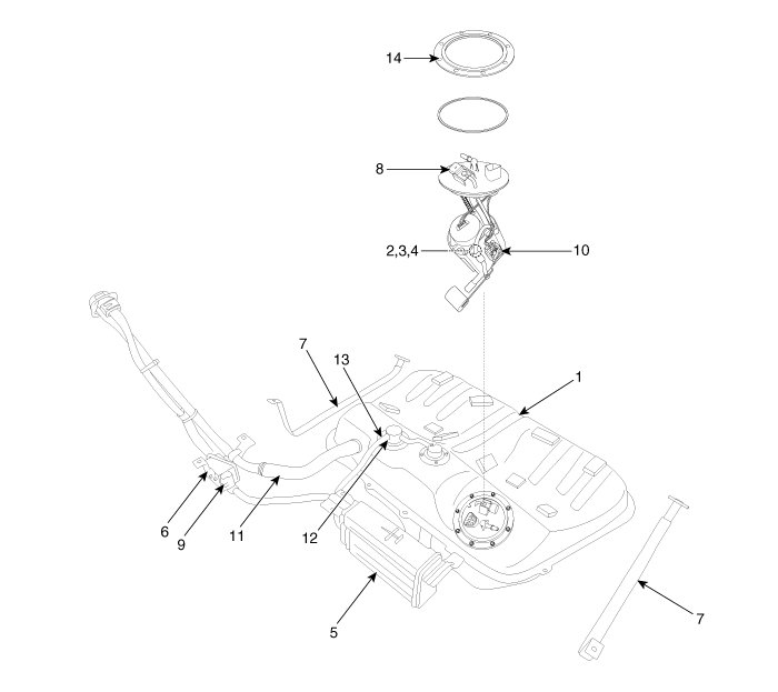
Emission Control System





Components Location