lemon-mirror:
Home >> Hyundai >> 2012 >> Azera V6-3.3L >> Repair and Diagnosis >> Body and Frame >> Locks >> Keyless Entry >> Keyless Starting System >> Keyless Start Control Module >> Diagrams >> Diagram Information and Instructions >> Schematic Diagrams

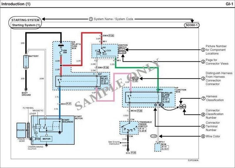
Schematic Diagrams

INTRODUCTION







1. System Name / System Code
- Each Page is consisted of circuits by system. This schematic diagram includes the path of electricity flow, connection condition for each switch, and the function of other relevant circuits at once. It is applicable to real service work.
- It is very important to understand relevant circuits exactly before troubleshooting diagnosis.
- Circuits by system depends upon part number and are indicated on schematic diagram index.

2 Connector Views (Components)







i. This section shows followings.
- Figure of the front view of the connector (harness side, not component side)
- Color of the connector
- Number of the terminal
- Color of the wiring
- Function of the terminal

ii. Each terminal on the connector is numbered in accordance with (4) Connector View And Numbering Order.
iii. Not connected terminal is marked with a dash (-).


3. Connector Views (Harness Connection)







i. When connecting the harness with connector between harnesses, it shows female and male connectors.
ii. Each terminal on the connector is numbered in accordance with (4) Connector View And Numbering Order
iii. Not connected terminal is marked with a dash (*)

4. Connector View And Numbering Order







NOTE: UNLESS OTHERWISE STATED, ALL CONNECTOR VIEWS ARE FROM THE TERMINAL SIDE OF THE CONNECTOR.


5. Component Locations
- To find the components easily, a components locations diagram is indicated with "PHOTO NO" on the lower portion of the component name.
- To make it easy to distinguish connectors, the connector in the picture is indicated being installed in the vehicle.







6. WIRE COLOR ABBREVIATIONS
The following abbreviations are used to identify wire colors in the circuit schematics.







7. HARNESS CLASSIFICATION
Electrical wiring connectors are classified according to the wiring parts in the Harness Layouts.







* Depending on the vehicle, it is necessary to check the harness name symbol on the harness layouts for detailed symbol.

8. CONNECTOR IDENTIFICATION
A Connector identification symbol consists of a wiring harness location classification symbol corresponding to a wiring harness location and number corresponding to the connector.

These connector locations can be found in the HARNESS LAYOUTS.

For example:







NOTE: Connectors which connect each wiring harness are represented by the following symbols.

For example:







JUNCTION BLOCK IDENTIFICATION
A junction block identification symbol consists of a wiring harness location classification symbol corresponding to a wiring harness location and number corresponding to the connector in the junction block.

For example:







HARNESS LAYOUTS
Harness layouts show the routing of the major wiring harnesses, the in-line connectors and the splices between the major harnesses. These layouts will make electrical troubleshooting easier.