lemon-mirror:
Home >> Hyundai >> 2012 >> Accent L4-1.6L >> Repair and Diagnosis >> Powertrain Management >> Computers and Control Systems >> Body Control Module >> Diagrams >> Electrical Diagrams

Electrical Diagrams





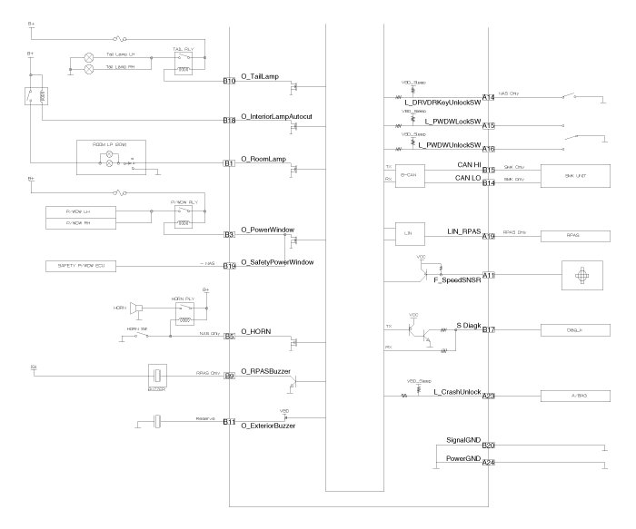
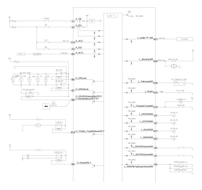
Circuit Diagram










BCM connectors