lemon-mirror:
Home >> Hyundai >> 2011 >> Veracruz FWD V6-3.8L >> Repair and Diagnosis >> Powertrain Management >> Computers and Control Systems >> Body Control Module >> Description and Operation >> Driver Door Module (DDM)

Driver Door Module (DDM)





Description

SWITCH ASSY-POWER WINDOW MAIN (below, DDM) does CAN communication as part of CAN composition with BCM, SEAT ECU, TILT ECU, SMART KEY UNIT, POWER WINDOW ASSIST SWITCH and input/output signal by WIRE with IMS SWITCH and SAFETY ECU.
Manufactures BUTTON of Power Window Main Switch that driver is located on inside of driver seat door and does function connected with POWER WINDOW, MIRROR, DOOR LOCK/UNLOCK.
1. POWER WINDOW action by BUTTON
(1) About DRIVE SIDE POWER WINDOW BUTTON, each MANUAL UP/DOWN, AUTO UP/DOWN four actions by WIRE to SAFETY ECU SIGNAL output.
(2) About ASSIST SIDE POWER WINDOW BUTTON, transmit each MANUAL UP/DOWN two actions by CAN communication.
(3) About REAR LEFT/RIGHT POWER WINDOW BUTTON, transmit each MANUAL UP/DOWN two actions by CAN communication.
(4) Transmit P/WDW LOCK state by Wire SIGNAL output and CAN communication to SAFETY ECU.
2. MIRROR's position passivity action by MANUAL SWITCH (Up, Down, Left, Right)
3. Memory of MIRROR position by MEMORY SWITCH, regeneration action -> 2 Person
4. CENTRAL DOOR LOCK/UNLOCK function.
5. Containment and return function of OUTSIDE MIRROR.

Control Function

1. POWER WINDOW CONTROL
(1) POWER WINDOW ENABLE SIGNAL ON Condition.
A. POWER WINDOW TIMER(FROM BCM) ON or IGN2(DDM itself) ON
(When satisfy one of two condition)
(2) UP/DOWN CONTROL SIGNAL
A. POWER WDW TIMER(FROM BCM) ON or IGN2(DDM itself) ON
(When satisfy one of two condition)





* At POWER WINDOW TIMER ( FROM BCM ) OFF & IGN 2 (DDM) OFF, independently of SWITCH s' state UP SIGNAL and DOWN SIGNAL are OFF state preservation.

Auto/Manual Up Output(Signal) Operation Time Chart




T1 : 40mS ± 10mS

Auto/Manual Down Output(Signal) Operation Time Chart




T1 : 40mS ± 10mS
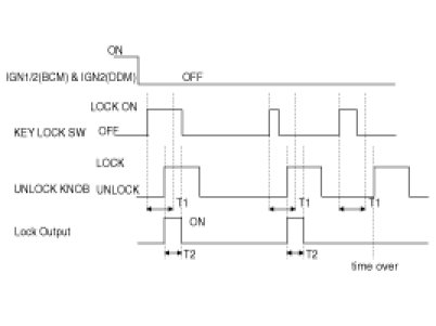
2. CENTRAL DOOR LOCK/UNLOCK






NOTE:
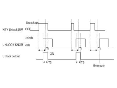
1. In case of KEY LOCK SWITCH becomes ON in OFF, driver seat UNLOCK KNOB is LOCK state or becomes LOCK in UNLOCK within 3 seconds and when IGN1 OFF ( FROM BCM ) & IGN2 OFF ( FROM BCM ) & is IGN2 OFF ( DDM itself ), achieve LOCK. (T 1 : 3S ± 500 mSs, T 2:0.5s ± 100 mSs)




2. When driver seat UNLOCK KNOB is UNLOCK state or becomes UNLOCK in LOCK within 3 seconds in case of KEY UNLOCK SWITCH becomes ON in OFF, achieve UNLOCK. (IGN 1/2 input disregard)




T1:3 Sed ± 500mS, T2:0.5Sec ± 100mS
3. In the case of North America specification, driver seat DOOR UNLOCK acts on on TWO TURN UNLOCK specification.
4. CAN LOCK/UNLOCK signal is same a below table.





* FL : Front left, FR : Front right, RL : Rear left, RR : Rear right, FOB : Transmitter button
* At DR LOCK in POWER WINDOW SWITCH or CAN LOCK signal reception,With UNLOCK KNOB state independently Lock output Display during 0.5S ± 0.1 secs. At DR UNLOCK in POWER WINDOW SWITCH or CAN UNLOCK signal reception Offer an Unlock output during 0.5 ± 0.1 secs independently with UNLOCK KNOB state. (IGN 1/2 input disregard)








T2:0.5 Sec±100mS

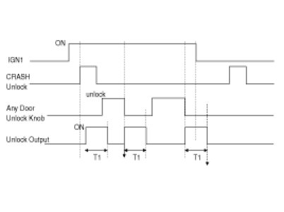
3. CRASH UNLOCK
(1) CONDITION 1





(2) CONDITION 2





(3) CONDITION 3





(4) CONDITION 4





(5) Ignore in case is changed by UNLOCK-> LOCK DOOR among CRASH OUTPUT 5 seconds output.




T1:5±0.5sec
(6) Do not re-output after outputing crash-unlock for 5 seconds state at Knob Lock input in Unlock output. That is, in IGN1 On state When change by Lock in Knob Unlock state after Crash Unlock generating power, execute re-output.
4. AUTO DOOR LOCK
(1) It selecting one among AUTO DOOR LOCK (connecting to vehicle speed), AUTO DOOR LOCK (connecting to a speed lever), AUTO DOOR LOCK (not application) , using breakdown diagnosis, driver can use AUTO DOOR LOCK function. (At the first by AUTO DOOR LOCK (connecting to vehicle speed) and AUTO DOOR LOCK (not application) in North America. act and AUTO DOOR LOCK (connecting to a speed lever)function Is applied in North America.)
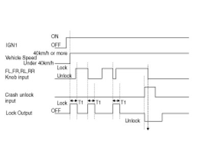
5. CONNECTING A VEHICLE SPEED, AUTO DOOR LOCK
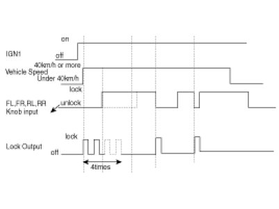
(1) When the IGN1 is ON, if the vehicle speed is changed over 40km/h from under (the signal shall be transferred to CAN from BCM), and if one door lock switch of the all door lock switch (FL, FR, RL, and RR) is UNLOCK, then the LOCK signal shall be output. (0.5±0.1 sec), If one door lock switch of the all door lock switch (FL, FR, RL, and RR) is UNLOCK after LOCK signal is output, the LOCK OUTPUT (ON for 0.5±0.1sec, OFF for 0.5±0.1sec) shall be output at most 3 times (totally 4 times).
After that, if any one door lock switch is UNLOCK, then an append output shall not be performed, but if the vehicle speed is changed over 40km/h from under or if the IGN is ON from OFF(a vehicle speed hold over 40), then the auto door lock function shall be restarted. When all Door Knob is Unlock after output, it operates again(retry) only of IGN1 Off->ON.
(2) After 1) operation, if the vehicle speed is changed over 40km/h from under and if one door unlock switch of the all door unlock switch is UNLOCK, then the LOCK signal shall be output After that, if any one door lock switch is UNLOCK, then an append output shall not be performed, but if the vehicle speed is changed over 40km/h from under or if the IGN is ON from OFF(a vehicle speed hold over 40), then the auto door lock function shall be restarted. When all Door Knob is Unlock after output, it operates again (retry) only of IGN1 Off->ON.
(3) AUTO DOOR LOCK function is prior in KEY REMINDER function.
(4) CRASH UNLOCK's condition does not achieve AUTO DOOR LOCK. After this, when it's changing IGN OFF-> ON, it achieve AUTO DOOR LOCK function.
(5) Vehicle speed is 20km/h (FROM BCM) in North America specification.
(6) TIME CHART




T1 : 0.5 ± 0.1sec.








6. AUTO DOOR UNLOCK
(1) It selecting one among AUTO DOOR UNLOCK (connecting to driver's seat), AUTO DOOR UNLOCK (taking out the key), AUTO DOOR UNLOCK (connecting to a speed lever), AUTO DOOR UNLOCK (not application), using breakdown diagnosis, driver can use AUTO DOOR UNLOCK function. (Default acts by AUTO DOOR UNLOCK (not application), and remembers selected function in CAN Message since. AUTO DOOR UNLOCK (connecting to a speed lever) function is applied in North America.)
7. AUTO DOOR UNLOCK (CONNECTING TO DRIVER'S SEAT)
(1) It output UNLOCK in case of driver's DOOR UNLOCK KNOB change to UNLOCK from LOCK in all DOOR CLOSE states(0.5 ±0.1sec). AUTO DOOR UNLOCK(connecting to driver's seat) input condition at AUTO DOOR UNLOCK (CONNECTING TO A SPEED LEVER) output is ignored.
8. AUTO DOOR UNLOCK (TAKING OUT THE KEY)
(1) In IGN KEY SWITCH ON ( KEY IN ON (BCM) or ACC ON (BCM) or IGN1 ON (BCM) or IGN2 ON (BCM) or IGN2 ON (DDM) ) state, among all (FL, FR, RL, RR) DOOR UNLOCK KNOBs, if one DOOR LOCK is state that KEY is taken off ( IGN KEY SW OFF (KEY IN OFF (BCM) & ACC OFF (BCM) & IGN1 OFF (BCM) & IGN2 OFF (BCM) & IGN2 OFF (DDM)) UNLOCK output. (0.5±0.1sec)




9. KEY REMINDER
A. When the Door Warning Switch is ON (receiving state with CAN) and the FL door or FR door is opened (receiving state with CAN), the Door Lock function shall not be performed.
(1) CONDITION 1





(2) CONDITION 2





(3) CONDITION 3





(4) CONDITION 4





(5) CONDITION 5





(6) CONDITION 6





(7) CONDITION 7





(8) CONDITION 8





(9) CONDITION 9





(10) CONDITION 10





(11) After output of the UNLOCK (condition 1 - 10) if the FL Door Lock switch or FR Door Lock switch is still on LOCK, then the UNLOCK output comprising of the ON and OFF with the interval of 0.5 sec shall be performed at 3 times.
(12) During 3 CYCLE repeats, output should stop in case of KEY is taken or DOOR KNOB state changes by UNLOCK , DOOR (FL or FR) that become LOCK becomes CLOSE
(13) After 3 CYCLE actions, It is not act more KEY REMINDER FUNCTION in case of keep LOCK state. It operate KEY REMINDER FUNCTION again in case of is KEY REMINDER condition after again. (at after there is DOOR CLOSE or KEY stripping or DOOR LOCK/UNLOCK Change of Condition back again KEY REMINDER condition appearance)
(14) If the speed of vehicle is not less than 3 km/h (receiving state with CAN), then the Key Reminder shall not be operated.








T1 : 1 ± 0.1sec, T2 : 0.5 ± 0.1sec.
10. KEY REMIND FUNCTION BY SMART KEY
When a SMART KEY in the car and one door is open, if all door lock SW lock (judgement by pic), SMART KEY REMINDER COMMAND is received.(CAN communication reception-FROM PIC)
(1) at the case of receiving SMART KEY REMINDER, operate UNLOCK output for 1 second.After UNLOCK output, when the state of FL DOOR LOCK SW or FR DOOR LOCK SW maintain the state of lock, operate unlock for interval of 0.5 second and make a pause of 3 times.
(2) AT THE OUTPUT OF 3 TIMES, SUSPEND OUTPUT at the time of changing. (SUSPENDING NEXT TRY)
(3) IF THE SPEED OF VEHICLE IS MORE THAN 3 - 5km/h (CAN COMMUNICATION RECEPTION), DON'T OPERATE KEY REMINDER.




T1 : 1 ± 0.1sec, T2 : 0.5 ± 0.1sec
11. DOOR LOCK/UNLOCK FUNCTION PRIORITY ORDER
(1) DOOR LOCK/Unlock action priority rank ignores small.
(2) Priority order is followed.





(3) if there is equal output command during output Priority order same Door lock/unlock, input ignore. if there is contrast output command during output Priority order same Door lock/unlock, input ignore and present output immediately discontinue and executes output that is inputted after 100 ms(except CRASH UNLOCK, Without waiting TIME 100 ms immediately action enforcement)
(4) AT THE ACTION OF LOW PRIORITY ORDER, IF HIGH SIGNAL IS COMING IN, SUSPEND IMMEDIATELY AND OPERATE THE ACTION OF HIGH PRIORITY ORDER.
(5) When was new output condition after existing output completion, send output after wait 100 ms by standard existing output completion point of time.(except CRASH UNLOCK, Without waiting TIME 100 ms immediately action enforcement)
12. OUTSIDE MIRROR CONTROL BY MANUAL SWITCH
(1) Manual Control for Outside Mirror LH
A. At the ACC ON state, if the mirror select switch in the SW ASSY P/WDW MAIN is the LH state and the mirror direction switches (UP, DOWN, LEFT, and RIGHT) are operated, then the mirror motor shall be drive to control the mirror to the desired direction.




(2) Manual Control for Outside Mirror RH
A. At the ACC ON state, if the mirror select switch in the SW ASSY POWER WINDOW MAIN is the RH state and the mirror direction switches (UP, DOWN, LEFT, and RIGHT) are operated, then the driving signal shall be sent to the SW ASSY P/WDW MAIN through the CAN.
13. MEMORY OPERATION BY MEMORY SWITCH
(1) If the position switch (POS1 or POS2) within 5 seconds after the memory switch is pushed at the ON state of the IGN2 (the switch module shall send the state signal through LIN), the present mirror position shall be memorized. (The 5-second duration from the ON state of the memory switch is the memory allowance period so that the allowance state shall be released if the 5 second duration is passed. That is, if the position switch (POS1 or POS2) is ON during the memory allowance period, then the present position shall be memorized.) Except, when the mirror manual switch at the LH is operated, the mirror position at RH shall not be memorized.




(2) The release of the memory allowance state shall be performed at any following condition that.
A. the 5 seconds are passed after the Memory switch is ON.
B. the IGN2 is ON.
C. the completing the Memory operation.
(3) When at least two switches of the Memory switch, the POS1 switch, and the POS2 switch are pushed at the same, the signal input shall be ignored.
(4) WHEN GETTING RID OF BATTERY, SAVE A MIRROR position MEMORIZED BY MEMORY SWITCH IN THE EEPROM.
14. REMINDER OPERATION BY MEMORY SWITCH
(1) When the each position switch is pressed at the ON state of the IGN2, the mirror shall be positioned according to the memorized value.
(2) If the position switch (POS1 or POS2) has not been memorized, then the reminding operation shall not be performed.
(3) During reminding operation, if a position switch (POS1 or POS2) is pressed, then the latest pressed switch shall govern the reminding operation.
(4) Prohibit Condition for the Reminding Operation
A. When the inhibit "P" switch is OFF.
B. When the IGN2 is OFF.
C. When the LH mirror switch is being operated.
D. When the speed of vehicle is over than 3 km.
E. When the Memory Stop switch is ON (IGN2 ON)
15. OUTSIDE MIRROR FAIL SAFE FUNCTION
(1) If the sensor variation of 80㎷ and more is not occurred even there is an input variation from the position sensor when motor is driven, it shall be considered as occurring defects such as the harness disconnection, the motor failure, or the sensor malfunction so that the auto control operation should be quitted.
(2) The mirror driving signal should not output over 15 seconds continuously.
(Both the memory reminding and the manual switching operation)
(3) Monitoring the Reminding Operation Time
If the reminding operation does not complete within 40 seconds after starting, the output of the mirror motor should be quitted and the reminding operation should be finished.
16. OUTSIDE MIRROR DOWN OPERATION AT REVERSING (AUTO REVERSE)