lemon-mirror:
Home >> Hyundai >> 2011 >> Veracruz FWD V6-3.8L >> Repair and Diagnosis >> Diagrams >> Electrical Diagrams >> Memory Positioning Systems >> Memory Positioning Module >> IMS (Integrated Memory System)

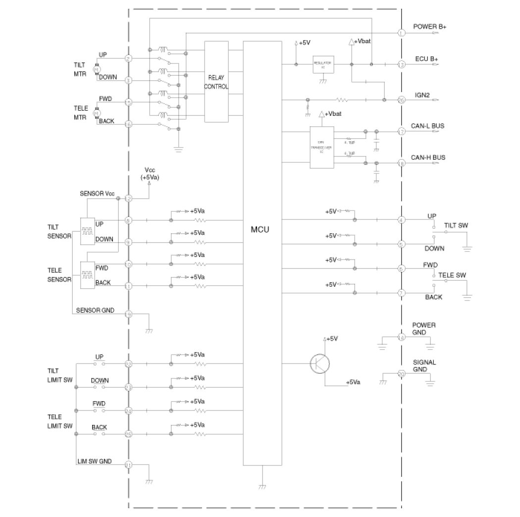
IMS (Integrated Memory System)





Circuit Diagram