lemon-mirror:
Home >> Hyundai >> 2011 >> Accent L4-1.6L >> Repair and Diagnosis >> Powertrain Management >> Computers and Control Systems >> Body Control Module >> Diagrams >> Electrical Diagrams

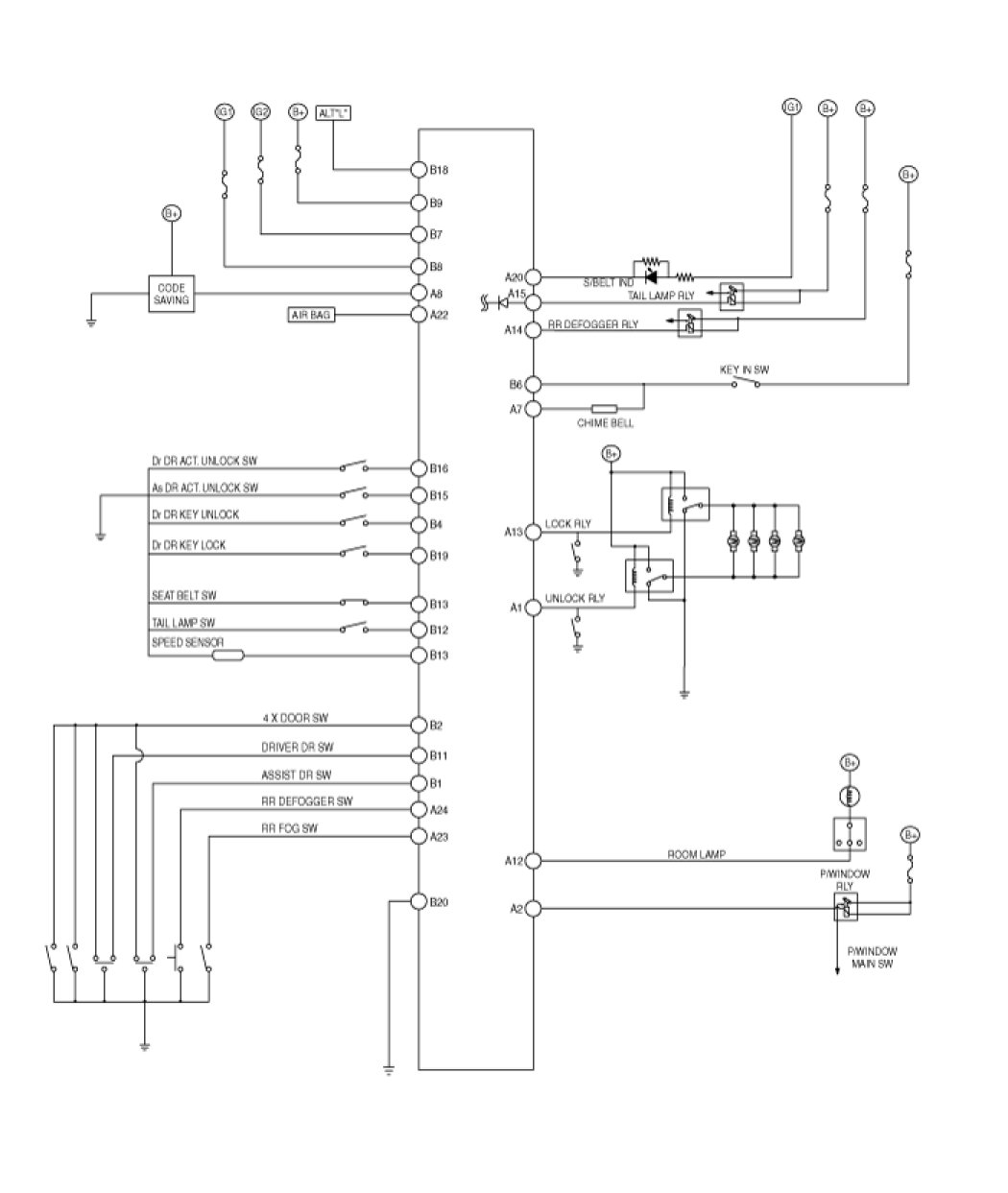
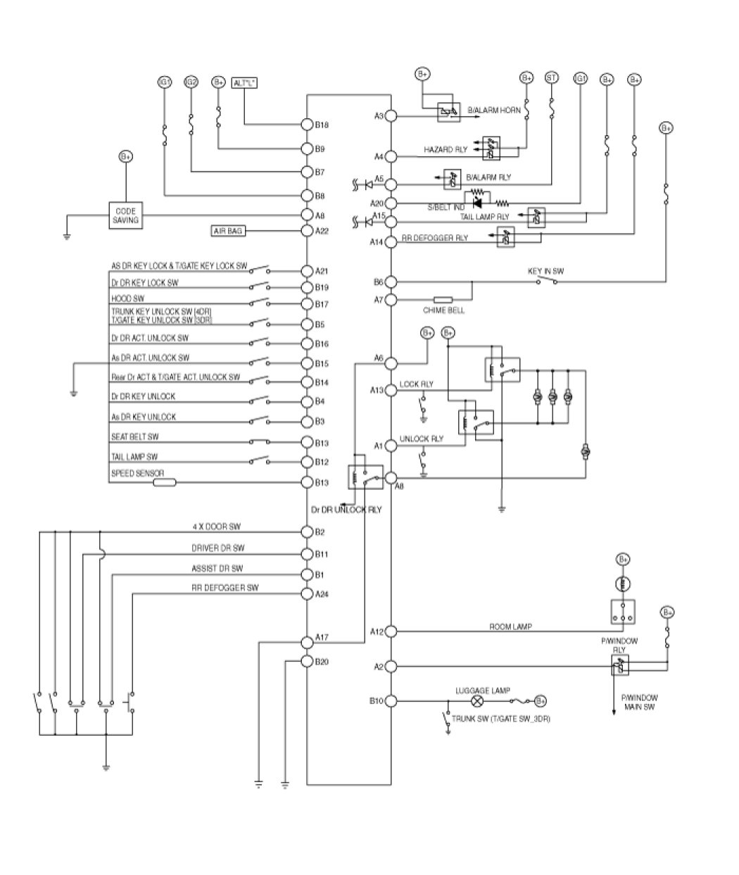
Electrical Diagrams





Circuit Diagram

BCM & Receiver





BCM





BCM Connector Terminals