lemon-mirror:
Home >> Hyundai >> 2011 >> Accent L4-1.6L >> Repair and Diagnosis >> Diagrams >> Electrical Diagrams >> Powertrain Management >> Engine Control Module

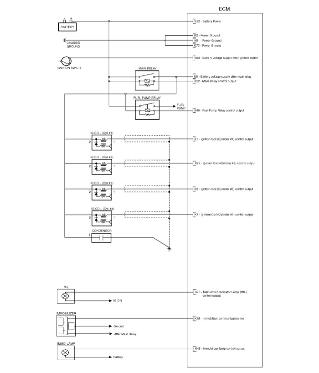
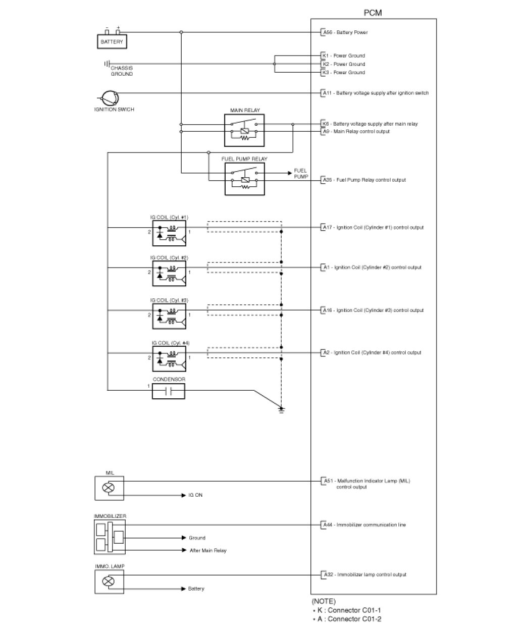
Engine Control Module





Circuit Diagram

[A/T]

















[M/T]