lemon-mirror:
Home >> Hyundai >> 2010 >> Tucson FWD L4-2.4L >> Repair and Diagnosis >> Powertrain Management >> Computers and Control Systems >> Relays and Modules - Computers and Control Systems >> Engine Control Module >> Service and Repair

Engine Control Module: Service and Repair





Removal

NOTE:
In the case of the vehicle equipped with immobilizer or button engine start system, perform "Key Teaching" procedure together .

1. Turn ignition switch OFF and disconnect the negative (-) battery cable.
2. Disconnect the ECM Connector (A).




3. Remove the battery .
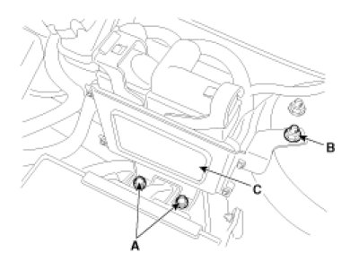
4. Remove the mounting bolts (A) and a nut (B), and then remove the ECM (C).






Installation

NOTE:
In the case of the vehicle equipped with immobilizer or button engine start system, perform "Key Teaching" procedure together .

1. Installation is reverse of removal.

ECM installation bolt:
7.8 - 11.8 N.m (0.8 - 1.2 kgf.m, 5.8 - 8.7 lb-ft)