lemon-mirror:
Home >> Hyundai >> 2010 >> Tucson FWD L4-2.4L >> Repair and Diagnosis >> Powertrain Management >> Computers and Control Systems >> Main Relay (Computer/Fuel System) >> Locations >> Ems Box

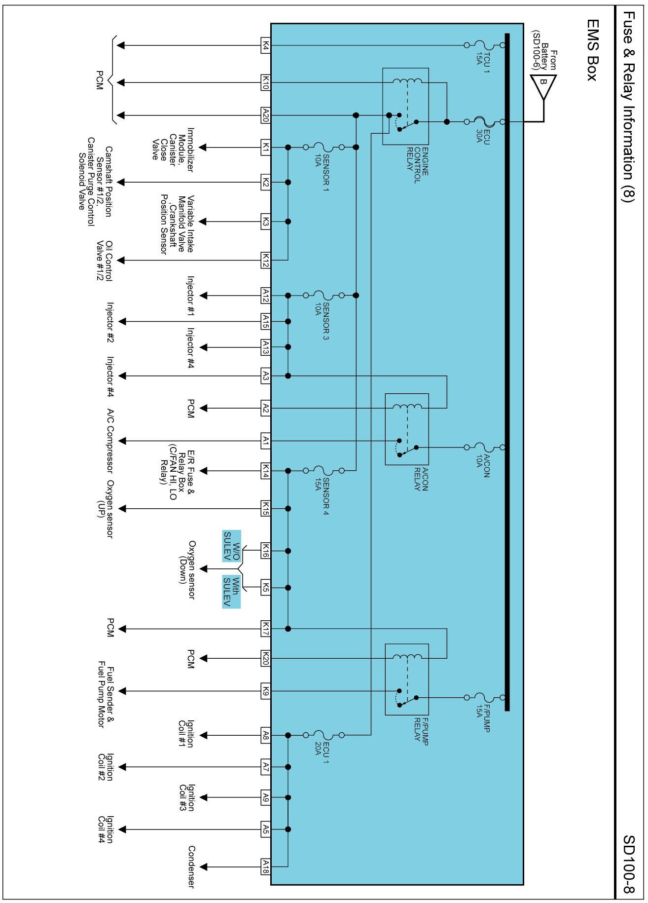
Ems Box

EMS Box


EMS Box:






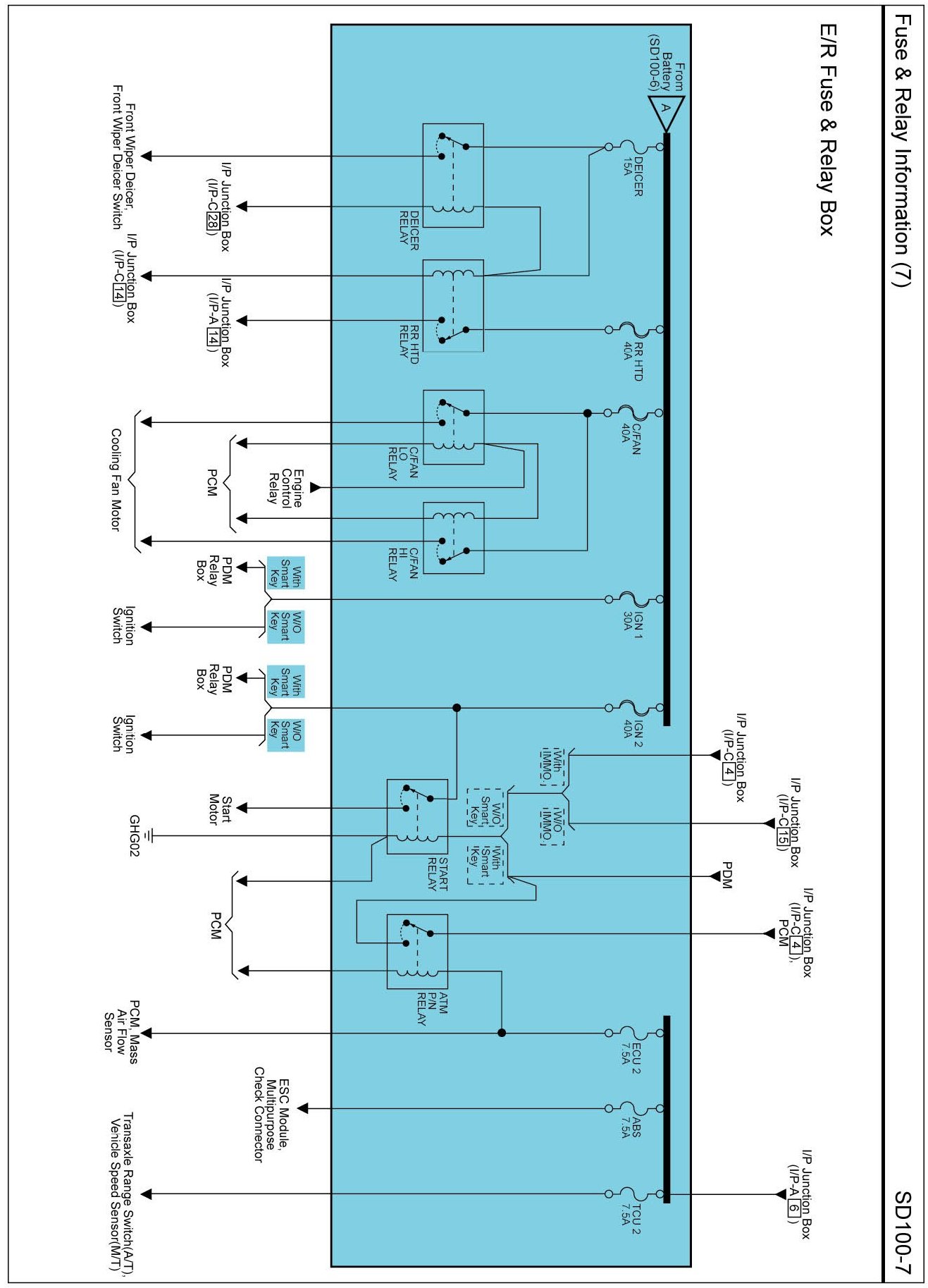
E/R Fuse & Relay Box


E/R Fuse & Relay Box View:






EMS Box


EMS Box View: